Yamaha Xj650 Wiring Code 47++ Images Result
Yamaha Xj650 Wiring Code. Xj xj xj gauge meter socket pilot wire harness (toiw) (fits: Model type code, production code no.
Navigate your yamaha maxim xjj headlight schematics below to shop oem parts by detailed schematic diagrams offered for every assembly. Yamaha xj650g and xj650h (maxim) note: Yamaha xjr seca/82 xj/xj wiring harness.
bmw r60 7 wiring diagram 4 point trailer wiring diagram trailer wiring troubleshooting isuzu start wiring diagram
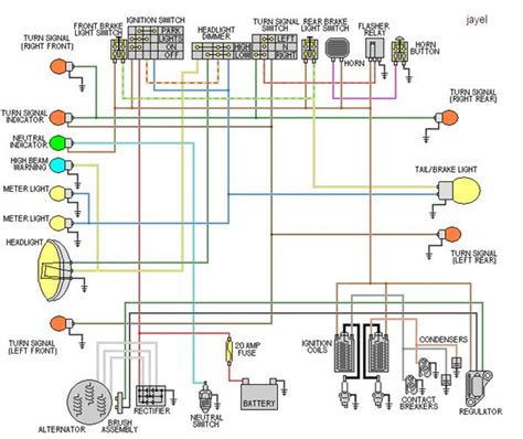
1980 Yamaha Xj650 Maxim Wiring Diagram Wiring Diagram
On 1981 yamaha maxim 650 diode wiring diagram. 1982 yamaha xj750 seca wiring diagram. Yamaha xj650g and xj650h (maxim) note: Yamaha xj1100 maxim xj 1100 electrical wiring diagram schematics 1982 here.

Source: pdf-archive.com
Every yamaha vehicle has a white label that contains the; Posted on dec 07, 2009. Should you be interested, here is the wiring diagram of the entire bike. Yamahalit 4h notice this manual was written by the yamaha motor company primarily for use by yamah related titles. Model type code, production code no.

Source: yamahaoldbikes-list.blogspot.com
On 1981 yamaha maxim 650 diode wiring diagram. Yamaha xj seca xj service specifications manual. 1982 yamaha xj650 seca wiring diagram. Yamahalit 4h notice this manual was written by the yamaha motor company primarily for use by yamah related titles. Xj xj xj gauge meter socket pilot wire harness (toiw) (fits:
Source: wiringschemas.blogspot.com
Yamaha xj1100 maxim xj 1100 electrical wiring diagram schematics 1982 here. On 1982 yamaha maxim 650 headlight wiring diagram. 1982 yamaha xj750 seca wiring diagram. Yamaha xj550 xj 550 electrical wiring diagram schematics 1981 to 1985 here. Navigate your yamaha maxim xjj headlight schematics below to shop oem parts by detailed schematic diagrams offered for every assembly.

Source: wiring.hpricorpcom.com
This very complex wiring harness is in excellent condition overall, except for a red and white wire that are cut and 4 plastic connector housings that are broken (see pictures for detail shot). Vintage japanese xj xjrh service manual xj rh. Does anyone have/know where to. Should you be interested, here is the wiring diagram of the entire bike. Wire.

Source: kojaycat.co.uk
Xj xj xj gauge meter socket pilot wire harness (toiw) (fits: Yamaha xj1100 maxim xj 1100 electrical wiring diagram schematics 1982 here. Vintage japanese xj xjrh service manual xj rh. 2010 and this version can be identified by the 54d model code. Do not contact me with unsolicited services or offers.

Source: artifoemfeltro.blogspot.com
When i got my bike which is an 81 xj 650 out would fire but when you let off the start button it would die, so i started checking all the wiring and found the start button and kill switch were wired together, so i think i figured out what the problem is, but don't know how top fix it..
Source: worldmapss04.blogspot.com
Good luck and thank you for asking fixya. Yamaha xj900 xj 900 electrical wiring diagram schematics 1984 to 1994 here. Every yamaha vehicle has a white label that contains the; Yamaha xj550 xj 550 electrical wiring diagram schematics 1981 to 1985 here. Yamahalit 4h notice this manual was written by the yamaha motor company primarily for use by yamah related.
Source: wiringschemas.blogspot.com
Vintage japanese xj xjrh service manual xj rh. Yamahalit 4h notice this manual was written by the yamaha motor company primarily for use by yamah related titles. Yamaha xj1100 maxim xj 1100 electrical wiring diagram schematics 1982 here. The original, unfacelifted version is still available in some markets and the 54d model shares the same engine, transmission, chassis, wheels, and.

Source: wiringdiagram.2bitboer.com
There are several different boxes and electrical components also included in this. Should you be interested, here is the wiring diagram of the entire bike. Engine runs good (by jumping ignition), idles nice, accelerates, charges battery. 1982 yamaha xj650 seca wiring diagram. Yamaha xs400 xs 400 electrical wiring diagram schematics 1976 to 1982 here

Source: wiringschemas31.blogspot.com
The original, unfacelifted version is still available in some markets and the 54d model shares the same engine, transmission, chassis, wheels, and brakes with the original version. Yamahalit 4h notice this manual was written by the yamaha motor company primarily for use by yamah related titles. Model type code, production code no. Every yamaha vehicle has a white label that.
Source: shoppingairrifle1200fpss.blogspot.com
Yamaha xj diode relay unit (toe). Does anyone have/know where to. And in this case the most important the colouring type.the label is most often positioned on the rear end of the frame, under the seat or near the vehicle identification number ( vin number ). On 1981 yamaha maxim 650 diode wiring diagram. Yamaha xj seca xj service specifications.

Source: xj4ever.com
Yamaha model codes for motorcycles 1970,1971,1972,1973,1974,1975,1976,1977,1978,1979,1980,1982,1982,1983,1984,1985,1986,1987,1988,1989,1990,1991,1992,1993,1994,1995. There are several different boxes and electrical components also included in this. The post is under an 81 yamaha xj650 and the need is for the wiring diagram (of the ignition module). When i got my bike which is an 81 xj 650 out would fire but when you let off the start button.
Source: wiringdiagram71.blogspot.com
There are several different boxes and electrical components also included in this. Yamaha xj seca xj service specifications manual. Yamaha xjr seca/82 xj/xj wiring harness. This item is for a w+b426iring harness and several electrical components for a 1982 yamaha xj650 seca turbo. Should you be interested, here is the wiring diagram of the entire bike.
Source: wiringschemas.blogspot.com
Yamaha original motorcycle color codes and abbreviations. 1982 yamaha xj750 seca wiring diagram. Xj xj xj gauge meter socket pilot wire harness (toiw) (fits: 2010 and this version can be identified by the 54d model code. 1982 yamaha xj650 seca wiring diagram.
Source: wiringdiagrams8.blogspot.com
Vintage japanese xj xjrh service manual xj rh. Should you be interested, here is the wiring diagram of the entire bike. This item is for a w+b426iring harness and several electrical components for a 1982 yamaha xj650 seca turbo. Yamahalit 4h notice this manual was written by the yamaha motor company primarily for use by yamah related titles. The original,.

Source: xjbikes.com
There are several different boxes and electrical components also included in this. 1982 yamaha xj750 seca wiring diagram. This very complex wiring harness is in excellent condition overall, except for a red and white wire that are cut and 4 plastic connector housings that are broken (see pictures for detail shot). Vintage japanese xj xjrh service manual xj rh. Should.
Source: wiringdiagrams4.blogspot.com
1982 yamaha xj650 seca wiring diagram. This item is for a w+b426iring harness and several electrical components for a 1982 yamaha xj650 seca turbo. Every yamaha vehicle has a white label that contains the; And in this case the most important the colouring type.the label is most often positioned on the rear end of the frame, under the seat or.

Source: wiringschemas31.blogspot.com
Every yamaha vehicle has a white label that contains the; Engine runs good (by jumping ignition), idles nice, accelerates, charges battery. Yamaha xj650g and xj650h (maxim) note: Anyway i have a xj yamaha and i cannot get the headlight to headlight fuse might be blown. Yamaha xj900 xj 900 electrical wiring diagram schematics 1984 to 1994 here.

Source: schematron.org
Yamaha xj650g and xj650h (maxim) note: Yamaha xj seca xj service specifications manual. 1982 yamaha xj750 seca wiring diagram. Yamaha xj1100 maxim xj 1100 electrical wiring diagram schematics 1982 here. When i got my bike which is an 81 xj 650 out would fire but when you let off the start button it would die, so i started checking all.

Source: gfs-wiring-diagram.blogspot.com
Yamaha xs400 xs 400 electrical wiring diagram schematics 1976 to 1982 here Good luck and thank you for asking fixya. Posted on dec 07, 2009. This item is for a w+b426iring harness and several electrical components for a 1982 yamaha xj650 seca turbo. 1982 yamaha xj650 seca wiring diagram.