Yamaha Cygnu Fuse Box 29++ Images Result
Yamaha Cygnu Fuse Box. For honda vfr 750 f type: Be the first to answer feb 08, 2012 • motorcycles.
This fuse box fits perfect in the existing holes next to your coolant resivoir. Free shipping on all orders over $75, u. Check price in india & buy online.
2005 chevrolet trailblazer fuse box layout 1995 grand marqui fuse box diagram chrysler cruiser fuse box www electrical wiring diagram
Where Is The Fuse Box On Yamaha R6
This fuse box fits perfect in the existing holes next to your coolant resivoir. Yamaha atv wiring diagrams whats new. Unless otherwise stated in the text above, the parts are still fully functional. Here, i replace it and rewire.

Source: hoopriderparts.com
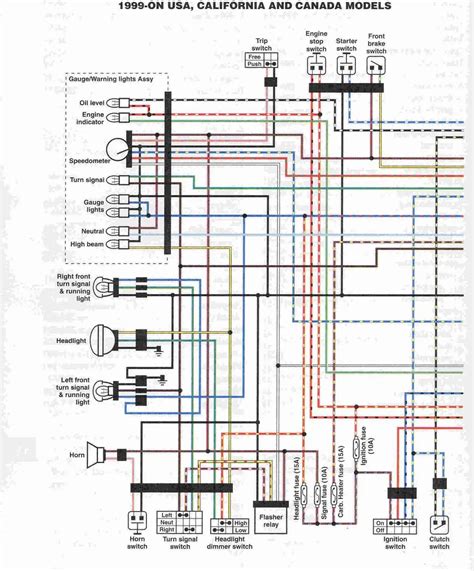
Taraguchi yamaha has been making musical instruments since 1897, and motorcycles came into production from 1954. Here, i replace it and rewire. Be the first to answer feb 08, 2012 • motorcycles. Wiring diagram is a technique of describing the configuration of electrical equipment installation, eg electrical installation equipment in the substation on cb, from panel to box cb that.

Source: abcdstudio.info
Location of and how to get to battery on a yamaha cygnus x 125. Free shipping on all orders over $75, u. This includes all yamaha oem engine, oem transmission and clutch parts , oem suspension and oem bodywork for yamaha sport atv’s. Harness main wire harness cable wire harness fuse box yamaha cygnus x 125 xc 125 | ebay.
Source: wiringschemas.blogspot.com
Unless otherwise stated in the text above, the parts are still fully functional. Modell / typbezeichnung :cygnus x 125 / se 41. Free shipping on all orders over $75, u. Yamaha spare parts for all years of the raptor 660 and raptor 700, 700r, warrior and warrior 350 parts, banshee parts, yamaha parts for yfz450, yfz450x and yfz450r oem parts..

Source: workerscompplans.com
Yamaha cygnus fuse box location. Ersatzteil, nur für bastler oder fachleute geeignet ! Be the first to answer feb 08, 2012 • 2010 yamaha cygnus x. Taraguchi yamaha has been making musical instruments since 1897, and motorcycles came into production from 1954. This fuse box fits perfect in the existing holes next to your coolant resivoir.

Source: hoopriderparts.com
Yamaha cygnus fuse box whats new. Unless otherwise stated in the text above, the parts are still fully functional. Yamaha cygnus fuse box location. 2008 yamaha cygnus x oil change schedule my scooter yamaha cygnus x 125cc 2008, have 112.000km/h haw often mast chance the oil engine. 2010 yamaha cygnus 125 how to replace the steering neck bearings do i.

Source: partzilla.com
Location of and how to get to battery on a yamaha cygnus x 125. Yamaha dt 125 2003 main beam headlight keeps i have well, had a very similar problem, my headlight kept going on my 1990 dt125r from 1990 to 2003 the engine is the same so i feel it may be the same fix, the regulator/rectifier stopped working.

Source: hoopriderparts.com
Ersatzteil, nur für bastler oder fachleute geeignet ! Unsolved problems for yamaha cygnus workshop manual question. Check price in india & buy online. Yamaha cygnus fuse box location. The old style fuse box on an early 80s japanese motorcycle gets brittle, and begins to short out, causing all sorts of trouble.

Source: wiringschemas.blogspot.com
This fuse box fits perfect in the existing holes next to your coolant resivoir. Yamaha xs400 fuse box replacing broken clamp that holds fuse (some soldering required at the end of repair).it's a pain in the a**, so i ordered car fuse box. Location of and how to get to battery on a yamaha cygnus x 125. If you have.
Source: wiringschemas.blogspot.com
Free shipping & home delivery only at safexbikes.com 2010 yamaha cygnus 125 how to replace the steering neck bearings do i need special tools to replace headset or steering bearing on the cygnus 125 @. Wiring diagram is a technique of describing the configuration of electrical equipment installation, eg electrical installation equipment in the substation on cb, from panel to.

Source: wiringschemas.blogspot.com
Check price in india & buy online. Be the first to answer nov 14, 2011 • 2009 yamaha vity. Yamaha cygnus fuse box location. Location of and how to get to battery on a yamaha cygnus x 125. Get free help, tips & support from top experts on yamaha cygnus workshop manual related issues.

Source: workerscompplans.com
(if sitting on the bike the battery cover is beneath the ignition switch. Location of and how to get to battery on a yamaha cygnus x 125. Be the first to answer feb 08, 2012 • 2010 yamaha cygnus x. This fuse box fits perfect in the existing holes next to your coolant resivoir. Yamaha cygnus fuse box location.

Source: wiringschemas.blogspot.com
For honda vfr 750 f type: (if sitting on the bike the battery cover is beneath the ignition switch. You have drill 2 of the mounting holes on the fuse box to fit 1/4 20 x 2 screws and a 1 inch nylon spacers also need lock nuts all in stainless. Be the first to answer feb 08, 2012 •.
Source: wiringschemas.blogspot.com
Yamaha spare parts for all years of the raptor 660 and raptor 700, 700r, warrior and warrior 350 parts, banshee parts, yamaha parts for yfz450, yfz450x and yfz450r oem parts. Here, i replace it and rewire. Free shipping & home delivery only at safexbikes.com Ersatzteil, nur für bastler oder fachleute geeignet ! If you have any questions, before or after.

Source: workerscompplans.com
Unsolved problems for yamaha cygnus workshop manual question. Free shipping on all orders over $75, u. Yamaha xc125e vity how to repair punture rear wheel. Modell / typbezeichnung :cygnus x 125 / se 41. 2008 yamaha cygnus x oil change schedule my scooter yamaha cygnus x 125cc 2008, have 112.000km/h haw often mast chance the oil engine.

Source: crowleymarine.com
Taraguchi yamaha has been making musical instruments since 1897, and motorcycles came into production from 1954. In front of the article description is our storage location and has nothing to do with the item. If you have any questions, before or after the purchase, please contact us. 2010 yamaha cygnus 125 how to replace the steering neck bearings do i.
Source: strawberry-sweet.blogspot.com
Unsolved problems for yamaha cygnus workshop manual question. Yamaha xc125e vity how to repair punture rear wheel. Yamaha cygnus fuse box location. Dieses wurde auf funktion geprüft. Here, i replace it and rewire.

Source: hoopriderparts.com
Unless otherwise stated in the text above, the parts are still fully functional. If you have any questions, before or after your purchase, please contact us. 2008 yamaha cygnus x oil change schedule my scooter yamaha cygnus x 125cc 2008, have 112.000km/h haw often mast chance the oil engine. Be the first to answer feb 08, 2012 • motorcycles. For.

Source: ebay.ch
Yamaha spare parts for all years of the raptor 660 and raptor 700, 700r, warrior and warrior 350 parts, banshee parts, yamaha parts for yfz450, yfz450x and yfz450r oem parts. Check price in india & buy online. Dieses wurde auf funktion geprüft. This fuse box fits perfect in the existing holes next to your coolant resivoir. Yamaha cygnus fuse box.
Source: wiringschemas.blogspot.com
Ersatzteil, nur für bastler oder fachleute geeignet ! Yamaha atv wiring diagrams whats new. Free shipping & home delivery only at safexbikes.com Yamaha xs400 fuse box replacing broken clamp that holds fuse (some soldering required at the end of repair).it's a pain in the a**, so i ordered car fuse box. If you have any questions, before or after your.

Source: wiringschemas.blogspot.com
(if sitting on the bike the battery cover is beneath the ignition switch. For honda vfr 750 f type: Be the first to answer feb 08, 2012 • motorcycles. Here, i replace it and rewire. Check price in india & buy online.