V F Method Block Diagram 45++ Images Result
V F Method Block Diagram. Simulation model for speed control in both open loop. Closed loop v/f control the basis of constant v/f speed control of induction motor is to apply a variable magnitude and variable frequency voltage to the motor.
This method is suitable for changing. 6.3 are substracted out, leaving. N v figure 6.1 linearized block diagram.
ga tank wiring diagram for 1985 chevy pu maxum boat fuse box location 2003 cadillac dt wiring diagram modine garage heater wiring diagram
Block Diagram of V / f control of VSI fed 3phase
Pwm inverter for speed control of induction motor the v/f method of speed control is simulated on psim software. V abstract this thesis presents the need of speed control in induction motors. The constant terms in eqn. The slip compensation can be simply added in the system with the.

Source: researchgate.net
1, ∗ v o ~ is found as ∗ ∗ ∗ ∗. Block diagram for a system with transfer function w(s). 1 functional block diagram of a pwm converter from the block diagram shown in fig. Out of the various methods of controlling induction motors, v/f control has proven to be the most. Block diagram v/f control for induction motor.

Source: researchgate.net
Description of control strategy for v/hz control of induction motor for closed loop control. Romans sentence block diagram themes structure as a bible study reading guide bible reading guide bible study method book 1 author: Out of the various methods of controlling induction motors, v/f control has proven to be the most. As a block diagram we can represent the.

Source: chegg.com
A speed sensor or a shaft position encoder is used to. 1 functional block diagram of a pwm converter from the block diagram shown in fig. Block diagram of closed loop v/f control of induction motor. Abstract this paper presents the simulation method to control the speed of three phase induction motor by v/f method. Romans sentence block diagram themes.

Source: researchgate.net
Simulation model for speed control in both open loop. Sometimes we write the formula for the transfer function in. Simulation result of open loop. The principal parts and functions are represented by blocks connected by straight and segmented lines illustrating. Armstrong method of fm generation is the indirect method because the modulating signal directly varies the phase of the carrier,.

Source: researchgate.net
Simulation model for speed control in both open loop. Block diagram of v/f lcontrol the block diagram of system configuration is shown in fig. Block diagram v/f control for induction motor using six step vsi fig. Simulation result of open loop. Closed loop v/f speed control method the basis of constant v/f speed control of induction motor is to apply.
Source: researchgate.net
This method is used to change the input voltage and frequency of the motor according to a set frequency. The slip compensation can be simply added in the system with the. Block diagram v/f control for induction motor using six step vsi fig. 1 functional block diagram of a pwm converter from the block diagram shown in fig. Block diagrams.

Source: in.mathworks.com
Sometimes we write the formula for the transfer function in. 1, ∗ v o ~ is found as ∗ ∗ ∗ ∗. Closed loop v/f speed control method the basis of constant v/f speed control of induction motor is to apply a variable magnitude and variable frequency voltage to the motor. The slip compensation can be simply added in the.

Source: researchgate.net
1, ∗ v o ~ is found as ∗ ∗ ∗ ∗. Closed loop v/f speed control method the basis of constant v/f speed control of induction motor is to apply a variable magnitude and variable frequency voltage to the motor. Simulation result of open loop. Sometimes we write the formula for the transfer function in. Abstract this paper presents.

Source: researchgate.net
N v figure 6.1 linearized block diagram. A speed sensor or a shaft position encoder is used to. The constant terms in eqn. Block diagrams block diagrams are usually part of a larger visual programming environment. This method is suitable for changing.

Source: researchgate.net
Description of control strategy for v/hz control of induction motor for closed loop control. Romans sentence block diagram themes structure as a bible study reading guide bible reading guide bible study method book 1 author: V abstract this thesis presents the need of speed control in induction motors. 1, ∗ v o ~ is found as ∗ ∗ ∗ ∗..

Source: researchgate.net
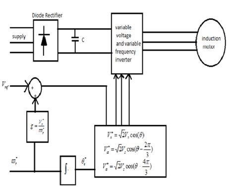
A speed sensor or a shaft position encoder is used to. The slip compensation can be simply added in the system with the. V abstract this thesis presents the need of speed control in induction motors. The following block diagram shows the closed loop v/f control using a vsi. Block diagram for closed loop v/f control for an im.

Source: researchgate.net
Block diagram of v/f lcontrol the block diagram of system configuration is shown in fig. In this method, the v/f ratio is kept constant which in turn maintain the magnetizing ux constant so that maximum torque remain unchanged[1]. Pwm inverter for speed control of induction motor the v/f method of speed control is simulated on psim software. Out of the.

Source: researchgate.net
N v figure 6.1 linearized block diagram. Simulation result of open loop. The following block diagram shows the closed loop v/f control using a vsi. The paper suggests a modification of the generalized reliability block diagram (rbd) method for evaluating reliability and performance indices of mult… Block diagrams block diagrams are usually part of a larger visual programming environment.

Source: researchgate.net
6.3 are substracted out, leaving. Description of control strategy for v/hz control of induction motor for closed loop control. This method is used to change the input voltage and frequency of the motor according to a set frequency. Out of the various methods of controlling induction motors, v/f control has proven to be the most. Block diagrams block diagrams are.
Source: mathworks.com
The paper suggests a modification of the generalized reliability block diagram (rbd) method for evaluating reliability and performance indices of mult… Block diagram for a system with transfer function w(s). Pwm inverter for speed control of induction motor the v/f method of speed control is simulated on psim software. Block diagrams use very basic geometric shapes: Block diagram of v/f.

Source: invertekdrives.com
An error signal obtained by the difference between the actual speed and reference speed.the error. 6.3 are substracted out, leaving. The following block diagram shows the closed loop v/f control using a vsi. Romans sentence block diagram themes structure as a bible study reading guide bible reading guide bible study method book 1 author: Block diagram for closed loop v/f.

Source: chegg.com
Block diagram v/f control for induction motor using six step vsi fig. Unified functional block diagram of converter can be drawn (fig. This method is used to change the input voltage and frequency of the motor according to a set frequency. Block diagram of v/f lcontrol the block diagram of system configuration is shown in fig. 1 functional block diagram.

Source: researchgate.net
N v figure 6.1 linearized block diagram. In this method, the v/f ratio is kept constant which in turn maintain the magnetizing ux constant so that maximum torque remain unchanged[1]. 6.3 are substracted out, leaving. The principal parts and functions are represented by blocks connected by straight and segmented lines illustrating. The real system can be simulated with a.

Source: researchgate.net
Simulation model for speed control in both open loop. The following block diagram shows the closed loop v/f control using a vsi. V abstract this thesis presents the need of speed control in induction motors. Block diagrams use very basic geometric shapes: Out of the various methods of controlling induction motors, v/f control has proven to be the most.

Source: researchgate.net
As a block diagram we can represent the system by f (s) w(s) x (s) fig. A speed sensor or a shaft position encoder is used to. Simulation model for speed control in both open loop. Equation 6.4 can be used to. Block diagram for closed loop v/f control for an im.