Usb Controller Schematic 24+ Images Result
Usb Controller Schematic. As a second test, we recommend checking whether a voltage can be measured between pin 1 of the usb connector (+3.6 to 5 v) and pin 4 (ground) after the xbox power has been switched on. Differential pairs capacitor usb 3.0 ss tx p/n 0.1uf
Psx dual shock controller 2: Is the schematic for this example.pic18f4550 is the main devices that communicate with pc and control stepping motor. Your next best bet (what i do) is to hack an existing usb gamepad and wire.
12 volt lighted switch wiring diagram santum fe engine diagram of 2009 2001 acura cl wiring diagram 12 volt 10 pin wire harnes
Ps2 Controller To Usb Converter Usb Wiring Diagram USB
J3 header_ec3 c2 programming interface connector for u6 mcu. Each endpoint can be configured in one of several usb transfer types. Usb 3.0 hub controllers of genesys logic inc. Usb port extender cable (doesn't work as one 4:

Source: pinterest.com
It will give 20 mhz at the input of “primary oscillator”. 2.1 efm32 usb pin descriptions the usb peripheral on efm32 microcontrollers feature the following pins: Circuit design and pcb layout guidelines 2.1 ac coupling capacitors phy is a component where the transmitter and receiver are located and operated together. Usb a, b 2.0 and 3.0 cable pinout. S1 switch.

Source: eevblog.com
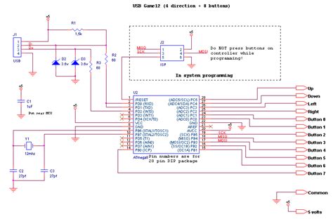
Differential pairs capacitor usb 3.0 ss tx p/n 0.1uf J4 mini usb used for printing debug messages to a serial terminal. For some projects, a circuit making it possible to connect 12 buttons (including 4 directional buttons) to a pc using an usb port is very useful. J5 mdp socket mini displayport socket. As a second test, we recommend checking.

Source: raphnet.net
J4 mini usb used for printing debug messages to a serial terminal. Each endpoint can be configured in one of several usb transfer types. Acidmods forum has a lot of info about the controllers. Differential pairs capacitor usb 3.0 ss tx p/n 0.1uf The errors of the can bus can be indicated by d3 diode

Source: blog.petrockblock.com
This cable is most commonly used in mobile charger for charging mobile phones and as a usb data cable to connect mobile devices to tranfer files and images between. Usb keyboards (and usb mice) are supported by xbox linux, and some xbox games also use a usb. The errors of the can bus can be indicated by d3 diode Psx.

Source: usbwiringdiagram.com
Usb devices side figure 1. Is the schematic for this example.pic18f4550 is the main devices that communicate with pc and control stepping motor. Usb 3.0 hub controllers of genesys logic inc. You can also connect limit switches, jog buttons and other inputs/outputs to. The efm32 usb stack supports host mode and device mode, but not otg mode.
Source: raphnet.net
Its submitted by doling out in the best field. Scissors (pretty self explanitory, to cut the wires) they can work. Ps2 controller to usb wiring diagram. The usb/led board (not pictured yet) is redone so there are 2 less wires on the connector. J5 mdp socket mini displayport socket.

Source: denki.world3.net
Set the “ oscillator selection “ to hspll. Simple controller (1 wire per button) to usb. Your next best bet (what i do) is to hack an existing usb gamepad and wire. You can add labels to the wires, pinouts, and connectors to make your diagram more informative. A usb interface ics is an integrated circuit designed specifically for connecting.

Source: voltatek.ca
Circuit design and pcb layout guidelines 2.1 ac coupling capacitors phy is a component where the transmitter and receiver are located and operated together. Set the “ oscillator selection “ to hspll. The shell has also been changed for the smaller pcb. If the test results are all ok, the usb connector is ready for use. S1 switch reset push.

Source: usbwiringdiagram.com
We identified it from obedient source. Differential pairs capacitor usb 3.0 ss tx p/n 0.1uf An external phy device connected to the ulpi is required. Type a connector is linked to the charger or pc, and a microsd connector is plugged into the phone. If the test results are all ok, the usb connector is ready for use.

Source: usbwiringdiagram.com
Each endpoint can be configured in one of several usb transfer types. Scissors (pretty self explanitory, to cut the wires) they can work. Here are a number of highest rated grbl controller schematic pictures on internet. Set the “ oscillator selection “ to hspll. Usb 3.0 hub controllers of genesys logic inc.

Source: rangkaianlo.blogspot.com
The ac coupling capacitors are associated with the transmitter. Usb devices side figure 1. The shell has also been changed for the smaller pcb. According to sainsmart 4 axis mach3 usb cnc motion controller wiring diagram you will find just four wires used in the cable. Usb interfaces are commonly used to provide data communications and control between computers and.

Source: raphnet.net
Scissors (pretty self explanitory, to cut the wires) they can work. 2.1 efm32 usb pin descriptions the usb peripheral on efm32 microcontrollers feature the following pins: Computer is connected to usb connector. Its submitted by doling out in the best field. We identified it from obedient source.

Source: pinterest.com
So if you would like obtain all these magnificent pics about cnc breakout board wiring diagram awesome just click save icon to. You can also connect limit switches, jog buttons and other inputs/outputs to. This schematic shows how controller is connected to computer and motor drivers. The shell has also been changed for the smaller pcb. J4 mini usb used.

Source: blog.tkjelectronics.dk
Simple controller (1 wire per button) to usb. The usb high speed device port (udphs) is compliant with the universal serial bus (usb), rev 2.0 high speed device specification. I don't know about schematics for the usb boards, but if there is something specific you are wondering, i might be able to help you track the info down. The ac.

Source: usbwiringdiagram.com
The errors of the can bus can be indicated by d3 diode Make sure you board is connected to the pc via usb cable. It will give 20 mhz at the input of “primary oscillator”. Computer is connected to usb connector. Usb port extender cable (doesn't work as one 4:

Source: electronics-diy.com
The efm32 usb stack supports host mode and device mode, but not otg mode. Your next best bet (what i do) is to hack an existing usb gamepad and wire. The usb high speed device port (udphs) is compliant with the universal serial bus (usb), rev 2.0 high speed device specification. Simple controller (1 wire per button) to usb. According.

Source: usbwiringdiagram.com
As a second test, we recommend checking whether a voltage can be measured between pin 1 of the usb connector (+3.6 to 5 v) and pin 4 (ground) after the xbox power has been switched on. The efm32 usb stack supports host mode and device mode, but not otg mode. The usb high speed device port (udphs) is compliant with.

Source: usbwiringdiagram.com
S1 switch reset push button switch for u3 mcu. Make sure you board is connected to the pc via usb cable. Simple controller (1 wire per button) to usb. Usb interfaces are commonly used to provide data communications and control between computers and their peripherals. This schematic shows how controller is connected to computer and motor drivers.

Source: usbwiringdiagram.com
S1 switch reset push button switch for u3 mcu. Scissors (pretty self explanitory, to cut the wires) they can work. Schematic (pdf) schematic for keys (pdf) schematic for eagle (.sch) Its submitted by doling out in the best field. According to sainsmart 4 axis mach3 usb cnc motion controller wiring diagram you will find just four wires used in the.

Source: raphnet.net
Usb port extender cable (doesn't work as one 4: J3 header_ec3 c2 programming interface connector for u6 mcu. Set the “pll prescaler selection” to divide by 5, so we get 4 mhz which are multiplied by 24 to get the 96 mhz for usb. We take this nice of grbl controller schematic graphic could possibly be the most trending subject.