Snapper Mower Schematic 13+ Images Result
Snapper Mower Schematic. Changed battery, checked it over. Pin on snapper snapper lawn mower 280915be user guide manualsonline com snapper np2187519bv parts diagram sn all product manuals & parts list snapper snapper 2812523bve (7800649) snapper 28″ rear engine riding mower, 12 5hp wiring schematic (10, 11, 12, 12 5 & 13 hp briggs) shares with lookup diagrams partstree snapper lt120g30db lawn.
It is easy and free Model numbers can be found on the product identification tag located on your snapper product. Something is draining the battery.
02 dodge ram alternator wiring honda s90 wiring color schematic honda civic 2001 wiring diagram radio harley wiring diagram site
Snapper PMA480 48" Deck, Pro 8 MidSize (for Gear Drive
If you do not see the snapper parts diagram you need, please complete the lawn mower parts request form and we will be happy to assist you.: Model numbers can be found on the product identification tag located on your snapper product. On the snapper website, you can download operator's manuals, wiring diagrams, and illustrated parts lists, as long as you have the mower's model number. Something is draining the battery.

Source: jackssmallengines.com
Snapper exploded view parts lookup by model. If battery reach volts, but still may start the mower may still start the mower, the energy used to start it needs to. Pin on snapper snapper lawn mower 280915be user guide manualsonline com snapper np2187519bv parts diagram sn all product manuals & parts list snapper snapper 2812523bve (7800649) snapper 28″ rear engine.

Source: schematron.org
If you do not see the snapper parts diagram you need, please complete the lawn mower parts request form and we will be happy to assist you.: Find your snapper manual & parts lists. I have a snapper x6s riding lawnmower. Model numbers can be found on the product identification tag located on your snapper product. Something is draining the.

Source: searspartsdirect.com
If battery reach volts, but still may start the mower may still start the mower, the energy used to start it needs to. Find genuine snapper parts fast with our mobile friendly parts lookup tool. On the snapper website, you can download operator's manuals, wiring diagrams, and illustrated parts lists, as long as you have the mower's model number. Up.

Source: jackssmallengines.com
We are an authorized snapper dealer with many snapper parts lookup diagrams. It is easy and free If you do not see the snapper parts diagram you need, please complete the lawn mower parts request form and we will be happy to assist you.: Snapper series 0 blade brake clutch walk behind mowers parts manual. They are used to look.

Source: skippingtheinbetween.blogspot.com
They are used to look up your product’s operator’s manual and illustrated parts lists. We are an authorized snapper dealer with many snapper parts lookup diagrams. Snapper rear engine rider 11.5 hp wiring diagram. We also have installation guides, diagrams and manuals to help you along the way! If you know the model number of your snapper product, enter it.

Source: searspartsdirect.com
If you do not see the snapper parts diagram you need, please complete the lawn mower parts request form and we will be happy to assist you.: Here is a picture gallery about snapper rear engine rider wiring diagram complete with the description of the image, please find the image you need. Find your snapper manual & parts lists. Snapper.

Source: jackssmallengines.com
When the engine of a riding mower will not turn over, there are a few possible. I'm trying to find a wiring diagram for a snapper rear. It is easy and free Snapper series 0 blade brake clutch walk behind mowers parts manual. Snapper rear engine rider 11.5 hp wiring diagram.

Source: casparcg.org
Snapper exploded view parts lookup by model. We also have installation guides, diagrams and manuals to help you along the way! About press copyright contact us creators advertise developers terms privacy policy & safety how youtube works test new features press copyright contact us creators. Disconnect battery from charger, wire harness, or any other circuit. Model numbers can be found.

Source: searspartsdirect.com
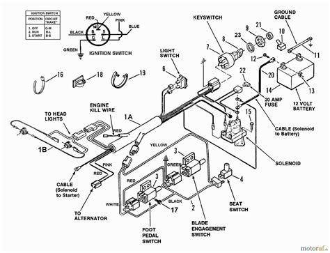
Snapper parts diagrams by model. Find your snapper manual & parts lists. Refer to the wiring schematic for information on the routing of wires to and from. Up to 20% cash back the snapper rear engines riders came in several configurations. Complete exploded views of all the major manufacturers.

Source: jackssmallengines.com
It is easy and free Refer to the wiring schematic for information on the routing of wires to and from. Search by part number or model number & locate equipment parts diagrams. Could you please provide the model number off of your tracotr and i will try to locate a model specific diagram for your mower. Up to 20% cash.

Source: partstree.com
A lot of folks out there have riding mowers. Something is draining the battery. Pin on snapper snapper lawn mower 280915be user guide manualsonline com snapper np2187519bv parts diagram sn all product manuals & parts list snapper snapper 2812523bve (7800649) snapper 28″ rear engine riding mower, 12 5hp wiring schematic (10, 11, 12, 12 5 & 13 hp briggs) shares.

Source: partstree.com
So, in this two part video series, i'll be covering the starting system of a typical riding mower wiring diagram. We also have installation guides, diagrams and manuals to help you along the way! Some had briggs engines and others had tecumsehs. Get original snapper parts from an authorized snapper dealer. Displaying wiring schematic ( hp briggs, electric start) parts.

Source: wiringall.com
On the snapper website, you can download operator's manuals, wiring diagrams, and illustrated parts lists, as long as you have the mower's model number. It is easy and free Some had briggs engines and others had tecumsehs. Something is draining the battery. I have a snapper x6s riding lawnmower.

Source: searspartsdirect.com
On the snapper website, you can download operator's manuals, wiring diagrams, and illustrated parts lists, as long as you have the mower's model number. Disconnect battery from charger, wire harness, or any other circuit. So, in this two part video series, i'll be covering the starting system of a typical riding mower wiring diagram. I have a snapper x6s riding.

Source: jackssmallengines.com
When the engine of a riding mower will not turn over, there are a few possible. Displaying wiring schematic ( hp briggs, electric start) parts for the search by part description: Model numbers can be found on the product identification tag located on your snapper product. If battery reach volts, but still may start the mower may still start the.

Source: jackssmallengines.com
Changed battery, checked it over. When the engine of a riding mower will not turn over, there are a few possible. They are used to look up your product’s operator’s manual and illustrated parts lists. Here is a picture gallery about snapper rear engine rider wiring diagram complete with the description of the image, please find the image you need..

Source: jackssmallengines.com
Snapper exploded view parts lookup by model. Model numbers can be found on the product identification tag located on your snapper product. Find your snapper manual & parts lists. About press copyright contact us creators advertise developers terms privacy policy & safety how youtube works test new features press copyright contact us creators. Some had briggs engines and others had.

Source: wiringdiagrammechanic.blogspot.com
I'm trying to find a wiring diagram for a snapper rear. Pin on snapper snapper lawn mower 280915be user guide manualsonline com snapper np2187519bv parts diagram sn all product manuals & parts list snapper snapper 2812523bve (7800649) snapper 28″ rear engine riding mower, 12 5hp wiring schematic (10, 11, 12, 12 5 & 13 hp briggs) shares with lookup diagrams.

Source: jackssmallengines.com
Pin on snapper snapper lawn mower 280915be user guide manualsonline com snapper np2187519bv parts diagram sn all product manuals & parts list snapper snapper 2812523bve (7800649) snapper 28″ rear engine riding mower, 12 5hp wiring schematic (10, 11, 12, 12 5 & 13 hp briggs) shares with lookup diagrams partstree snapper lt120g30db lawn. I'm trying to find a wiring diagram.

Source: jackssmallengines.com
Snapper exploded view parts lookup by model. A lot of folks out there have riding mowers. Disconnect battery from charger, wire harness, or any other circuit. Here is a picture gallery about snapper rear engine rider wiring diagram complete with the description of the image, please find the image you need. Search by part number or model number & locate.