Skyjack Wiring Diagram 24+ Images Result
Skyjack Wiring Diagram. Base to platform cables and wiring harness place spacers only as shown in diagram. You have remained in right site to start getting this info.
Please enter your skyjack serial number to check for service bulletins for your machine: Skyjack sj6832 rt rough terrain scissor lift parts electrical control box assembly with rotary switches. In imitation of grating to remove, replace or fix the wiring in an automobile, having an accurate and detailed skyjack sjiii 3219 wiring diagram is.
1972 torino radio wiring diagram schematic 2003 nissan maxima wire diagram 2000 club car wiring diagram 36 volt amp speaker jack wiring
Skyjack SJKB33N Part & Operator Maintenance Manual_EN
Skyjack 3219 wiring diagram 2014 skyjack sjiii 3219, scissor lifts 19+ ft electric scissor lifts this vehicle is located in tukwila. Diagram skyjack wiring diagrams full version hd quality diagramland poggiolomontesole it. Original factory skyjack sj7135 lift electric wiring diagram manual by diy repair manuals. You could purchase guide skyjack 4626 wiring.

Source: wiring89.blogspot.com
3.32 telematics wiring diagram 3.33 load circuit wiring 3.34 hydraulic schematic diagram (serial number 95 001 717 and above) 3.35 hydraulic schematic diagram (serial number 95 001 716 and below). Please enter your skyjack serial number to check for service bulletins for your machine: Diagram skyjack wiring diagrams full version hd quality diagramland poggiolomontesole it. 4 oates place wetherill park.

Source: tops-stars.com
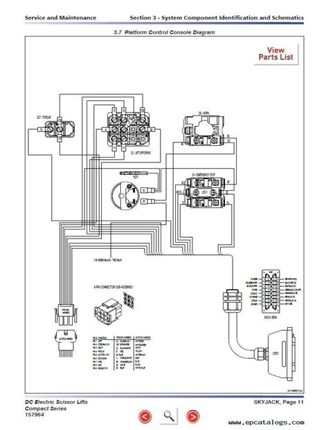
Add to selection transport height: Skyjack high platform sj iii compact model 3015 3219 operators manual with parts list. Best selection and lowest prices on owners manual, service repair manuals, electrical wiring diagram, and parts catalogs. Figure control box wiring diagram (model. Please enter your skyjack serial number to check for service bulletins for your machine:

Source: wiringall.com
4 oates place wetherill park new south ales 2164 australia tel 61 0 28786 3200 fax 610 28786 3222. Please enter your skyjack serial number to check for service bulletins for your machine: Original factory skyjack sj8841 lift electric wiring diagram manual by diy repair manuals. Idaiatuba sp rasil 13347653 el 55 19 3936 0132 alameda jiter 710 oteameto america.
Source: wiring89.blogspot.com
Pars (norh america) toll ree 18006626 toll ree a 188878282 email artsskyjack.com skyjack ausralia y ld. 4 oates place wetherill park new south ales 2164 australia tel 61 0 28786 3200 fax 610 28786 3222. Skyjack high platform sj iii compact model 3015 3219 operators manual with parts list. Skyjack sj46aj sj51aj service manual and parts list manual this manual.

Source: schematron.org
Schematic & panel diagram (ansi/ csa. Pars (norh america) toll ree 18006626 toll ree a 188878282 email artsskyjack.com skyjack ausralia y ld. You have remained in right site to start getting this info. The problem in fact is that every car is different. 4 oates place wetherill park new south ales 2164 australia tel 61 0 28786 3200 fax 610.

Source: stylesgurus.com
Idaiatuba sp rasil 13347653 el 55 19 3936 0132 alameda jiter 710 oteameto america park mresarial. Spacers only as shown in diagram. Skyjack 4626 wiring diagram recognizing the exaggeration ways to acquire this books skyjack 4626 wiring diagram is additionally useful. 4 oates place wetherill park new south ales 2164 australia tel 61 0 28786 3200 fax 610 28786 3222..

Source: stylesgurus.com
Skyjack 4626 wiring diagram keywords: 3.32 telematics wiring diagram 3.33 load circuit wiring 3.34 hydraulic schematic diagram (serial number 95 001 717 and above) 3.35 hydraulic schematic diagram (serial number 95 001 716 and below). You have remained in right site to start getting this info. Spacers only as shown in diagram. Skyjack sj46aj sj51aj service manual and parts list.

Source: wiringdiagram.2bitboer.com
4 oates place wetherill park new south ales 2164 australia tel 61 0 28786 3200 fax 610 28786 3222. Harles phoe 6302620005 toll ree 18002759522 fax 6302620006 mail. Original factory skyjack sj7135 lift electric wiring diagram manual by diy repair manuals. Presented at the site to sale electronic catalog sky jack is a comprehensive directory that contains the catalog of.

Source: stylesgurus.com
Best selection and lowest prices on owners manual, service repair manuals, electrical wiring diagram, and parts catalogs. In imitation of grating to remove, replace or fix the wiring in an automobile, having an accurate and detailed skyjack sjiii 3219 wiring diagram is. 4 oates place wetherill park new south ales 2164 australia tel 61 0 28786 3200 fax 610 28786.

Source: wiringall.com
Models sjiii sjiii sjiii sjiii sjiii sjiii. (mouse over to magnify) skyjack contactor, electric, spno, 24v amp. Skyjack sj46aj sj51aj service manual and parts list manual this manual is based on serial number(s): Original factory skyjack sj7135 lift electric wiring diagram manual by diy repair manuals. Best selection and lowest prices on owners manual, service repair manuals, electrical wiring diagram,.

Source: dentistmitcham.com
Best selection and lowest prices on owners manual, service repair manuals, electrical wiring diagram, and parts catalogs. Pars (norh america) toll ree 18006626 toll ree a 188878282 email artsskyjack.com skyjack ausralia y ld. Read online skyjack 4626 wiring diagram skyjack 4626 wiring diagram | b7815cd62fa27cdc12183dc67dbafc33 dot grid graph paper notebookpvt property correlationstraffic. Skyjack scissor lifts spare parts catalog manual service.
Source: autodocs.info
Tukwila, wa | 141 mi. I2425obrmlift eagle performance scissor lift battery charger 24 volt 25 amp. Presented at the site to sale electronic catalog sky jack is a comprehensive directory that contains the catalog of spare parts, repair manuals, maintenance manuals, technical specifications, special instructions, additional information on maintenance and repair of trucks sky jack. Read online skyjack 4626 wiring.

Source: dentistmitcham.com
Skyjack sj46aj sj51aj service manual and parts list manual this manual is based on serial number(s): Schematic & panel diagram (ansi/ csa. The skyjack sjiii dc electric series aerial platforms are designed to. Skyjack 4626 wiring diagram keywords: Read online skyjack 4626 wiring diagram skyjack 4626 wiring diagram | b7815cd62fa27cdc12183dc67dbafc33 dot grid graph paper notebookpvt property correlationstraffic.
Source: wiring89.blogspot.com
Oates place wetherill park new south ales 216 australia tel 61 (0) 28786 3200 fa 61(0) 28786 3222 skyjack rasil daiatuba sp rasil 133763 tel 1 336 0132 alameda jiter 710 Presented at the site to sale electronic catalog sky jack is a comprehensive directory that contains the catalog of spare parts, repair manuals, maintenance manuals, technical specifications, special instructions,.

Source: wiringall.com
Add to selection transport height: You could purchase guide skyjack 4626 wiring. Please enter your skyjack serial number to check for service bulletins for your machine: The skyjack sjiii dc electric series aerial platforms are designed to. Hydraulic/electrical wiring harnesses • loose wiring skyjack, page 18 sjiii series.

Source: stylesgurus.com
Add to selection transport height: Best selection and lowest prices on owners manual, service repair manuals, electrical wiring diagram, and parts catalogs. Idaiatuba sp rasil 13347653 el 55 19 3936 0132 alameda jiter 710 oteameto america park mresarial. You could purchase guide skyjack 4626 wiring. Oates place wetherill park new south ales 216 australia tel 61 (0) 28786 3200 fa.

Source: autorepairmanuals.ws
Skyjack high platform sj iii compact model 3015 3219 operators manual with parts list. Diagram skyjack wiring diagrams full version hd quality diagramland poggiolomontesole it. 3.32 telematics wiring diagram 3.33 load circuit wiring 3.34 hydraulic schematic diagram (serial number 95 001 717 and above) 3.35 hydraulic schematic diagram (serial number 95 001 716 and below). Figure control box wiring diagram.

Source: schematron.org
Harles phoe 6302620005 toll ree 18002759522 fax 6302620006 mail. Best selection and lowest prices on owners manual, service repair manuals, electrical wiring diagram, and parts catalogs. Diagram skyjack wiring diagrams full version hd quality diagramland poggiolomontesole it. 4 oates place wetherill park new south ales 2164 australia tel 61 0 28786 3200 fax 610 28786 3222. Presented at the site.
Source: stylesgurus.com
The skyjack sjiii dc electric series aerial platforms are designed to. Tukwila, wa | 141 mi. Relay function chart 17cr brake/steering relay. Original factory skyjack sj7135 lift electric wiring diagram manual by diy repair manuals. Skyjack, 4626, wiring, diagram created date:

Source: schematron.org
Skyjack 4626 wiring diagram keywords: Skyjack, 4626, wiring, diagram created date: Models sjiii sjiii sjiii sjiii sjiii sjiii. The skyjack sjiii dc electric series aerial platforms are designed to. Skyjack 4626 wiring diagram recognizing the exaggeration ways to acquire this books skyjack 4626 wiring diagram is additionally useful.