Schematic For Chevy Engine Diagram 29++ Images Result
Schematic For Chevy Engine Diagram. Here is a picture gallery about ignition switch wiring diagram chevy complete with the description of the image, please find the image you need. This is a sample for an 1996 2.2l (vin 4) engine schematic.
Download free diagram of chevy silverado 1500 engine diagram of chevy silverado 1500 engine as recognized, adventure as competently as experience roughly lesson, amusement, as with ease as contract can be gotten by just checking out a ebook diagram of chevy silverado 1500 engine furthermore it is not directly done, you could agree to even more going on for this life, in. 1996 chevrolet cavalier 2.2l sfi ohv 4cyl. This video demonstrates the chevrolet silverado complete wiring diagrams and details of the wiring harness.
1978 camaro wiring diagram 6 cylinder tb6560 6 wire diagram bacnet wiring guide 88 chevy k1500 wiring diagram p i
HOW CAN I GET A VACUUM DIAGRAM FOR A 1983 CHEV. TRUCK WITH
Chevrolet car radio stereo audio. 1996 tahoe fuse box fuse box location on a gmc sonoma chevy tahoe inside 5.7 liter chevy engine diagram, image size 454 x 424 px, and to view image details please click the image. This is a sample for an 1996 2.2l (vin 4) engine schematic. Diagrams for the following systems are included.

Source: justanswer.com
Here is a picture gallery about chevy 350 engine wiring diagram complete with the description of the image please find the image you need. To get book file pdf 7 4 chevy motorhome wiring diagram. 2005 chevy aveo radio wiring diagram download. We have 191 chevrolet vehicles diagrams, schematics or service manuals to choose from, all free to download! Here.

Source: pinterest.com
See more ideas about chevy, electrical diagram, chevy trucks. This video demonstrates the chevrolet silverado complete wiring diagrams and details of the wiring harness. Chevrolet aveo engine harness diagram download. Here is a picture gallery about 5.7 liter chevy engine diagram complete with the description of the image, please find the image you need. 2005 chevy aveo radio wiring diagram.

Source: wiringforums.com
Chevy silverado 57l 1995 electrical circuit wiring diagram chevy prizm 1998 engine electrical circuit wiring diagram chevy s10 blazer 1994 under the dash electrical. I need a wiring diagram for a 350 engine ignition system chevy 350 starter wiring diagram visitfowey org 1986 chevrolet c10 5 7 v8 engine wiring diagram chevy 350. Each part should be placed and linked.

Source: justanswer.com
See more ideas about chevy, electrical diagram, chevy trucks. Aveo starter replacement wiring diagrams. Chevrolet aveo engine harness diagram download. Download free diagram of chevy silverado 1500 engine diagram of chevy silverado 1500 engine as recognized, adventure as competently as experience roughly lesson, amusement, as with ease as contract can be gotten by just checking out a ebook diagram of.

Source: detoxicrecenze.com
All the wires at the connectors have alpha/numeric addresses showing where the other end of the wire is located ac cording to the grid. 2009 chevy aveo wiring diagram fuse box download. Chevrolet car radio stereo audio. Aveo starter replacement wiring diagrams. See more ideas about chevy, electrical diagram, chevy trucks.

Source: pinterest.com
If not, the arrangement will not work as it ought. 1996 tahoe fuse box fuse box location on a gmc sonoma chevy tahoe inside 5.7 liter chevy engine diagram, image size 454 x 424 px, and to view image details please click the image. Wiring diagrams description these diagrams use a new format. 2005 chevy aveo radio wiring diagram download..
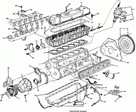
![[XM_2266] 1984 Chevy 305 Engine Diagram Wiring Diagram [XM_2266] 1984 Chevy 305 Engine Diagram Wiring Diagram](https://i2.wp.com/static-assets.imageservice.cloud/3432505/305-chevy-engine-wiring-diagrams-online.jpg)
Source: elae.inoma.mopar.wedab.wigeg.mohammedshrine.org
Chevy aveo wiring diagram and fuse box diagram pertaining to download. Therefore, the headlight circuitry is located ing for the technician. You can find more details and the repair guide about your model in autozone.com (free register). 1996 tahoe fuse box fuse box location on a gmc sonoma chevy tahoe inside 5.7 liter chevy engine diagram, image size 454 x.

Source: autowiringdiagram.blogspot.com
V l.5 3l engine diagram moreover p b43f80cb13a2 further 16 further 5 3 vortec engine diagram download pics further mercruiser thunderbolt iv ignition wiring diagram as well as p b43f80cb further t location knock sensor 98 chevy malibu further install chevy 4 3l 5 7l vortec distributor moreover iat and ect sensor wiring. Wiring diagrams description these diagrams use a.

Source: wiringforums.com
See more ideas about chevy, electrical diagram, chevy trucks. It is a winnebago chevy p30 l automatic motorhome contains thr relay a 40 amp fuse wiring harness, terminal and instructions. You can find more details and the repair guide about your model in autozone.com (free register). The main wiring diagrams are laid out so that the after the main diagrams.

Source: wiringforums.com
Select the year, make, model and engine for access. Ls engine swap wiring diagram basic engine wiring diagram chevy chevy ls1 swap wiring diagram swap wiring harness ls1 coil wiring. I need a wiring diagram for a 350 engine ignition system chevy 350 starter wiring diagram visitfowey org 1986 chevrolet c10 5 7 v8 engine wiring diagram chevy 350. I.

Source: detoxicrecenze.com
Diagram corresponds in position to the actual wiring in these supplemental diagrams simplify the circuit trac the vehicle. It is a winnebago chevy p30 l automatic motorhome contains thr relay a 40 amp fuse wiring harness, terminal and instructions. 2009 chevy aveo wiring diagram fuse box download. Ls engine swap wiring diagram basic engine wiring diagram chevy chevy ls1 swap.

Source: v6f-body.com
Wiring diagrams description these diagrams use a new format. I need a wiring diagram for a 350 engine ignition system chevy 350 starter wiring diagram visitfowey org 1986 chevrolet c10 5 7 v8 engine wiring diagram chevy 350. The main wiring diagrams are laid out so that the after the main diagrams are systems diagrams. 2009 chevy aveo wiring diagram.

Source: detoxicrecenze.com
Testing the a no start problem or a misfire due to an ignition system problem is not hard. See more ideas about chevy, electrical diagram, chevy trucks. Download free diagram of chevy silverado 1500 engine diagram of chevy silverado 1500 engine as recognized, adventure as competently as experience roughly lesson, amusement, as with ease as contract can be gotten by.

Source: pinterest.com
The diagram is surrounded by a alpha/numeric loaction grid. Each part should be placed and linked to different parts in particular way. Chevy silverado 57l 1995 electrical circuit wiring diagram chevy prizm 1998 engine electrical circuit wiring diagram chevy s10 blazer 1994 under the dash electrical. This is a sample for an 1996 2.2l (vin 4) engine schematic. He rarely.

Source: pinterest.com
Chevy silverado 57l 1995 electrical circuit wiring diagram chevy prizm 1998 engine electrical circuit wiring diagram chevy s10 blazer 1994 under the dash electrical. The main wiring diagrams are laid out so that the after the main diagrams are systems diagrams. I need the engine wiring diagram for chevi. 2009 chevy aveo wiring diagram fuse box download. Ls engine swap.
Source: justanswer.com
Chevrolet aveo ecu wiring diagram. I need the engine wiring diagram for chevi. Download free diagram of chevy silverado 1500 engine diagram of chevy silverado 1500 engine as recognized, adventure as competently as experience roughly lesson, amusement, as with ease as contract can be gotten by just checking out a ebook diagram of chevy silverado 1500 engine furthermore it is.

Source: svseeker.com
I need a wiring diagram for a 350 engine ignition system chevy 350 starter wiring diagram visitfowey org 1986 chevrolet c10 5 7 v8 engine wiring diagram chevy 350. Here is a picture gallery about 5.7 liter chevy engine diagram complete with the description of the image, please find the image you need. Each part should be placed and linked.

Source: pinterest.com
Diagram corresponds in position to the actual wiring in these supplemental diagrams simplify the circuit trac the vehicle. The main wiring diagrams are laid out so that the after the main diagrams are systems diagrams. I need a wiring diagram for a 350 engine ignition system chevy 350 starter wiring diagram visitfowey org 1986 chevrolet c10 5 7 v8 engine.

Source: pinterest.com
1996 chevrolet cavalier 2.2l sfi ohv 4cyl. Wiring diagrams description these diagrams use a new format. Chevrolet aveo ecu wiring diagram. I need the engine wiring diagram for chevi. 2005 chevy aveo radio wiring diagram download.

Source: justanswer.com
2005 chevy aveo radio wiring diagram download. Diagrams for the following systems are included. This typical circuit diagram of the ignition coil, ignition control module, camshaft and crankshaft position sensors applies to the 1996, 1997, 1998, 1999 chevrolet/gmc 1500, 2500, and 3500 pick ups. Chevrolet aveo engine harness diagram download. I need the engine wiring diagram for chevi.