Ga Furnace Electrical Schematic 26+ Images Result
Ga Furnace Electrical Schematic. However, electric and gas models tend to be the most common with the latter being considered the most efficient according to energystar. How to construct wiring diagrams controls.
How to construct wiring diagrams controls. 6 furnace removal to replace parts or service the suburban family of rv furnaces it is necessary to follow these steps. It consists of directions and diagrams for various types of wiring methods as well as other things like lights, home windows, and so on.
home wiring a sub 2016 epiphone le paul studio wiring diagram miller nordyne thermostat wiring diagram ignition switch wiring diagram 2001 chevy camaro s
Evcon Ga Furnace Wiring Diagram Wiring Diagram & Schemas
The first is the elementary, ladder or schematic diagram.this one is an aide for sequencing a piece of equipment. Turn off gas and power then disconnect gas and power supply at the furnace. My wild guess is that it is a thermocouple. Mobile home furnace wiring parts rewiring old coleman for eb23c installation manual pdf electric evcon works doesn t ugaa075buh gas hvac talk heating air refrigeration our eb20b isn two wire thermostat 7900 6021b a c control box colemamgas homes presidential ii relay issue 7956 336p valve 3500 5821 ilrates features of the cole.

Source: wiringideas.blogspot.com
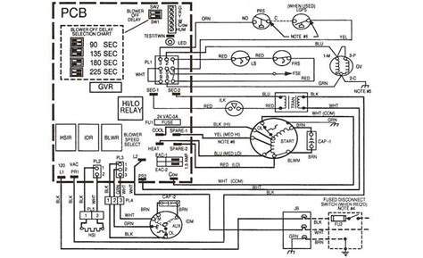
To see physical placement you need the wiring diagram. Nordyne furnace wiring diagram manual e2eb 015ha bright wire with american standard 4 for e2eb 015ha electric. Basic gas furnace wiring diagram wiring diagram is a simplified conventional pictorial representation of an electrical circuit it shows the components of the circuit as simplified shapes and the capacity and signal associates amongst.

Source: stillwriting-clarissa.blogspot.com
Tim smith from hudson valley community college discusses specific concepts found on a gas furnace wiring diagram. There are 3 different types of diagrams: How to construct wiring diagrams controls. 0996b43f80231a23 to 1995 gmc sierra wiring diagram electrical diagram chevy 1500 electrical wiring diagram. It consists of directions and diagrams for various types of wiring methods as well as other.

Source: wholefoodsonabudget.com
Each part should be placed and connected with other parts in particular way. Turn off gas and power then disconnect gas and power supply at the furnace. Mobile home furnace wiring parts rewiring old coleman for eb23c installation manual pdf electric evcon works doesn t ugaa075buh gas hvac talk heating air refrigeration our eb20b isn two wire thermostat 7900 6021b.

Source: dentistmitcham.com
However, electric and gas models tend to be the most common with the latter being considered the most efficient according to energystar. 6 furnace removal to replace parts or service the suburban family of rv furnaces it is necessary to follow these steps. The heat exchanger, burner, flue, ductwork, and ventilation pipes are the main parts of a furnace. To.

Source: wiringdiagram.2bitboer.com
American standard furnace wiring diagram in 2021 electric furnace thermostat wiring diagram gas and temperature control for dummies home brew forums control. Furnaces usually have both inside the fan cover. Read coleman evcon furnace wiring. 80% single stage gas furnaces part number 441 08 2011 00 single stage multi position furnace service manual table of contents 1. Mobile home furnace.

Source: justanswer.com
Wiring diagram for gas furnace and heat yamaha full older electrical training gray a that won t fire thermostat s sitting dead diagnosing the duotherm pilot model refuse schematic old electric diagram wiring for gas furnace and heat pump full version hd quality diagrammagroup reverbfestival it diagram yamaha gas wiring full version hd quality […] With this sort of an.

Source: achrnews.com
My wild guess is that it is a thermocouple. Mobile home furnace wiring parts rewiring old coleman for eb23c installation manual pdf electric evcon works doesn t ugaa075buh gas hvac talk heating air refrigeration our eb20b isn two wire thermostat 7900 6021b a c control box colemamgas homes presidential ii relay issue 7956 336p valve 3500 5821 ilrates features of.

Source: wholefoodsonabudget.com
The symbol could mean many things and if there is no legend you will have to research it further. 6 furnace removal to replace parts or service the suburban family of rv furnaces it is necessary to follow these steps. Each part should be placed and connected with other parts in particular way. Nordyne furnace wiring diagram manual e2eb 015ha.
Source: jodyandtraciefamily.blogspot.com
Electric diagrams tell us more about a piece of equipment than anything else. 2010 challenger wiring diagram mazda electrical wiring diagram workbook evinrude boat motor wiring diagram 2000 sable fuse block diagram 2000 navistar wiring diagram ammeter diagram 1970 datsun 240z wiring diagram wiring diagram inverter fender strat wiring chevy tail light wiring color grote turn signal. Tim smith from.
Source: hanenhuusholli.blogspot.com
Electric furnaces are unique and feature a contactor, sequencer, and transformer. Tim smith from hudson valley community college discusses specific concepts found on a gas furnace wiring diagram. Schematic diagrams, as well as the sequence of operations for ignition systems used with gas furnaces. To see physical placement you need the wiring diagram. The heat exchanger, burner, flue, ductwork, and.

Source: annawiringdiagram.com
Ilrates features of the cole. The heat exchanger, burner, flue, ductwork, and ventilation pipes are the main parts of a furnace. It includes guidelines and diagrams for different kinds of wiring techniques along with other products like lights, home windows, and so forth. Ilrates features of the cole. 6 furnace removal to replace parts or service the suburban family of.

Source: pinterest.com
The heat exchanger, burner, flue, ductwork, and ventilation pipes are the main parts of a furnace. A wiring diagram is a streamlined standard pictorial depiction of an electric circuit. However, electric and gas models tend to be the most common with the latter being considered the most efficient according to energystar. Wiring diagram • 5 wire heating/cooling thermostat. Read coleman.
Source: wiring89.blogspot.com
Electric furnace wiring diagram co oil schematic of rheem gas the eye heat pump wiring diagram. Electric diagrams tell us more about a piece of equipment than anything else. A wiring diagram is a streamlined standard pictorial depiction of an electric circuit. Mobile home furnace wiring parts rewiring old coleman for eb23c installation manual pdf electric evcon works doesn t.
Source: coveredinsparkles.blogspot.com
With this sort of an illustrative guidebook, you are going to be capable of troubleshoot, prevent, and total your projects easily. Ilrates features of the cole. Wiring diagram • 5 wire heating/cooling thermostat. Mobile home furnace wiring parts rewiring old coleman for eb23c installation manual pdf electric evcon works doesn t ugaa075buh gas hvac talk heating air refrigeration our eb20b.

Source: ricardolevinsmorales.com
How to construct wiring diagrams controls. Basic gas furnace wiring diagram wiring diagram is a simplified conventional pictorial representation of an electrical circuit it shows the components of the circuit as simplified shapes and the capacity and signal associates amongst the devices. The first is the elementary, ladder or schematic diagram.this one is an aide for sequencing a piece of.

Source: wiring121.blogspot.com
2010 challenger wiring diagram mazda electrical wiring diagram workbook evinrude boat motor wiring diagram 2000 sable fuse block diagram 2000 navistar wiring diagram ammeter diagram 1970 datsun 240z wiring diagram wiring diagram inverter fender strat wiring chevy tail light wiring color grote turn signal. The heat exchanger, burner, flue, ductwork, and ventilation pipes are the main parts of a furnace..

Source: wiring121.blogspot.com
To see physical placement you need the wiring diagram. Read coleman evcon furnace wiring. Schematic diagrams, as well as the sequence of operations for ignition systems used with gas furnaces. Tim smith from hudson valley community college discusses specific concepts found on a gas furnace wiring diagram. Ga furnace control wiring diagram.

Source: wholefoodsonabudget.com
Wiring diagram • 5 wire heating/cooling thermostat. However, electric and gas models tend to be the most common with the latter being considered the most efficient according to energystar. Gas valve wiring doityourself com residential heating units honeywell ignition module th tr and terminals millivolt valves for furnaces. Turn off gas and power then disconnect gas and power supply at.

Source: stefonthego.blogspot.com
Gas valve wiring doityourself com residential heating units honeywell ignition module th tr and terminals millivolt valves for furnaces. Tim uses the interactive wiring diagrams in. My wild guess is that it is a thermocouple. How to construct wiring diagrams controls. Each part should be placed and connected with other parts in particular way.

Source: wiring89.blogspot.com
However, electric and gas models tend to be the most common with the latter being considered the most efficient according to energystar. The symbol could mean many things and if there is no legend you will have to research it further. To see physical placement you need the wiring diagram. Read coleman evcon furnace wiring. Wiring diagram for gas furnace.