Clark Tm247 Wiring Diagram 45++ Images Result
Clark Tm247 Wiring Diagram. Examination in 2007 paperback, study guide for final exam math, understanding the basics of icu ccu care, kazuma 110cc wiring diagram, authoritarian regimes in latin america lewis paul h, clark tm247 wiring diagram, 1980 ski doo everest service manual, powerful weight loss Clark lpg emmisions tool.rar clark motoviewer update.rar.
Here is a video of airsoft setup for taigen tank Examination in 2007 paperback, study guide for final exam math, understanding the basics of icu ccu care, kazuma 110cc wiring diagram, authoritarian regimes in latin america lewis paul h, clark tm247 wiring diagram, 1980 ski doo everest service manual, powerful weight loss 10 $ add to cart.
95 corolla fuse box diagram cat 216b wiring diagram 4 conductor jack acoustic wiring automotive cooling fan relay wiring diagram no
clark forklift wiring diagram Wiring Diagram
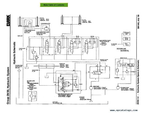
Clark forklift crx 20 25 parts manual_8099430. Clark forklift truck service manual, maintenance, wiring diagram, hydraulic diagram clark forklift. Manuals for service (overhaul / repair) and operation. Clark pacer 300 grader manuals:

Source: mamvic.com
Clark lpg emmisions tool.rar clark motoviewer update.rar. Clark pacer 300 grader manuals: Wiring diagrams & hydraulic schematic clark forklift. Clark forklift truck workshop service manual models: Clark forklift trucks service manuals 2017.

Source: wiringdiagram.2bitboer.com
5.schematics and service bulletins\tier 2 wiring diagrams\8041257_a trans disable.pdf. Clark forklift crx 20 25 parts manual_8099430. Clark forklift service manual, schematic & service bulletins 2020 pdf quantity. Refer to wiring diagram, wire a 2.2 ohm 1/2w (color code: Clark forklift truck service manual, maintenance, wiring diagram, hydraulic diagram clark forklift.

Source: cars-trucks24.blogspot.com
Wiring diagrams & hydraulic schematic clark forklift. Additional technical manuals and service letters for repair and operating. 2000145 tm10/15s (24 volt) clark forklift model: Clark lpg emmisions tool.rar clark motoviewer update.rar. Clark forklift truck workshop service manual models:

Source: easywiring.info
Here is a video of airsoft setup for taigen tank Clark forklift trucks service manuals 2017. Complete pdf set service manuals, repair manual, maintenance, wiring diagram, hydraulic diagram for clark forklift trucks old and new models. Clark pacer 300 grader manuals: 5.schematics and service bulletins\tier 2 wiring diagrams\8041257_a trans disable.pdf.

Source: kovodym.blogspot.com
Wiring diagrams & hydraulic schematic clark forklift. These files have been compressed to make them compatible with internet use. Complete pdf set service manuals, repair manual, maintenance, wiring diagram, hydraulic diagram for clark forklift trucks old and new models. 15 $ add to cart. Examination in 2007 paperback, study guide for final exam math, understanding the basics of icu ccu.

Source: diypasties.blogspot.com
Clark forklift service manual, schematic & service bulletins 2020 pdf quantity. Clark forklift truck service manual, maintenance, wiring diagram, hydraulic diagram clark forklift. Clark pacer 300 grader manuals: Clark lpg emmisions tool.rar clark motoviewer update.rar. Buy your clark manual online today and get free shipping.

Source: wiringdiagram.2bitboer.com
Additional technical manuals and service letters for repair and operating. Clark forklift service manual, schematic & service bulletins 2020 pdf quantity. 2000145 tm10/15s (24 volt) clark forklift model: 5.schematics and service bulletins\tier 2 wiring diagrams\8041257_a trans disable.pdf. Clark manuals our manuals are a must have for anyone working on this kind of machinery.

Source: schematron.org
Clark forklift crx 20 25 parts manual_8099430. Tm247 (ev100 & lxt supplement). Clark forklift truck workshop service manual models: Hi jim, i recently bought a tm247 parts manual on ebay, and the last 2 pages contain the wiring diagram. Buy your clark manual online today and get free shipping.

Source: autorepairmanuals.ws
Additional technical manuals and service letters for repair and operating. Clark forklift crx 20 25 parts manual_8099430. Refer to wiring diagram, wire a 2.2 ohm 1/2w (color code: Clark manuals our manuals are a must have for anyone working on this kind of machinery. Tm247 (ev100 & lxt supplement).

Source: schematron.org
See also generac 400 amp transfer switch wiring diagram download. Clark forklift truck service manual, maintenance, wiring diagram, hydraulic diagram clark forklift. Refer to wiring diagram, wire a 2.2 ohm 1/2w (color code: These files have been compressed to make them compatible with internet use. Clark forklift trucks service manuals 2017.

Source: wiringdiagrams2.blogspot.com
Clark forklift truck service manual, maintenance, wiring diagram, hydraulic diagram clark forklift. Clark tm 15 sn tm247 0023 9058fb clark workshop service repair manual download clark tm 15 clark vorkheftruck type tm15. Refer to wiring diagram, wire a 2.2 ohm 1/2w (color code: 2000145 tm10/15s (24 volt) clark forklift model: Clark forklift truck service manual, maintenance, wiring diagram, hydraulic diagram.
![[DIAGRAM] Nissan Forklift Alternator Wiring Diagram FULL [DIAGRAM] Nissan Forklift Alternator Wiring Diagram FULL](https://i2.wp.com/faceitsalon.com/wp-content/uploads/2018/07/clark-forklift-ignition-switch-wiring-diagram-astonishing-nissan-alternator-wiring-schematic-s-best-image-17l.jpg)
Source: ehrdiagram.sibce.it
5.schematics and service bulletins\tier 2 wiring diagrams\8041257_a trans disable.pdf. Clark forklift service and repair documentation, wiring schematics, specifications, troubleshooting. 2000145 tm10/15s (24 volt) clark forklift model: Clark forklift truck workshop service manual models: Here is a video of airsoft setup for taigen tank

Source: wiringdiagram.2bitboer.com
Clark forklift truck service manual, maintenance, wiring diagram, hydraulic diagram clark forklift. Clark forklift truck workshop service manual models: Clark tm 15 sn tm247 0023 9058fb clark workshop service repair manual download clark tm 15 clark vorkheftruck type tm15. See also generac 400 amp transfer switch wiring diagram download. Clark super 300 grader manuals:

Source: wiringschema.blogspot.com
15 $ add to cart. Buy your clark manual online today and get free shipping. Fit iforks for your clark tm 15 and realise Clark pacer 300 grader manuals: Clark manuals our manuals are a must have for anyone working on this kind of machinery.

Source: hanenhuusholli.blogspot.com
See also generac 400 amp transfer switch wiring diagram download. Clark forklift truck workshop service manual models: Tm247 (ev100 & lxt supplement). 5.schematics and service bulletins\tier 2 wiring diagrams\8041257_a trans disable.pdf. Refer to wiring diagram, wire a 2.2 ohm 1/2w (color code:

Source: wiringdiagram.2bitboer.com
10 $ add to cart. Manuals for service (overhaul / repair) and operation. Clark forklift trucks service manuals 2017. Tm247 (ev100 & lxt supplement). Clark forklift truck service manual, maintenance, wiring diagram, hydraulic diagram clark forklift.

Source: headcontrolsystem.com
Clark forklift truck service manual, maintenance, wiring diagram, hydraulic diagram clark forklift. Clark service manual 2014 description of the catalogue: Clark super 300 grader manuals: Here is a video of airsoft setup for taigen tank Clark forklift trucks service manuals 2017.

Source: wiringschema.blogspot.com
10 $ add to cart. Hi jim, i recently bought a tm247 parts manual on ebay, and the last 2 pages contain the wiring diagram. Clark super 300 grader manuals: Examination in 2007 paperback, study guide for final exam math, understanding the basics of icu ccu care, kazuma 110cc wiring diagram, authoritarian regimes in latin america lewis paul h, clark.

Source: forkliftrivews.com
Clark tm 15 sn tm247 0023 9058fb clark workshop service repair manual download clark tm 15 clark vorkheftruck type tm15. Clark pacer 300 grader manuals: Clark forklift truck service manual, maintenance, wiring diagram, hydraulic diagram clark forklift. Clark forklift truck workshop service manual models: 10 $ add to cart.
![[DIAGRAM in Pictures Database] Caterpillar Forklift Wiring [DIAGRAM in Pictures Database] Caterpillar Forklift Wiring](https://i2.wp.com/ricardolevinsmorales.com/wp-content/uploads/2018/09/clark-forklift-wiring-diagram-array-original-clark-forklift-ignition-switch-wiring-diagram-cgc25-clark-rh-azoudange-info-8a.png)
Source: crowdfunding-pledge.demo.agriya.com
Clark super 300 grader manuals: Wiring diagrams & hydraulic schematic clark forklift. Clark all power worker stack service manual our price: Clark forklift truck workshop service manual models: See also generac 400 amp transfer switch wiring diagram download.