Case 580 Wiring Schematic 45+ Images Result
Case 580 Wiring Schematic. Case l series loader backhoe family 580l, 580 super l and 590 super l electrical wiring diagram schematic manual. Case 580 backhoe wiring diagram case 580k electrical schematic example electrical wiring diagram tagged.
Case pdf manual instant preview. Case 580c wiring issues my tractor forum construction king loader international 580e super backhoe service 580sk work harness d72921 avspare com 580m tractorbynet 580 l manual circuit breaker d84689 580s fuel sensor 590 m plus won t shift diagram needed e 430 580d bsn 8685800 dig diode is on a sm. Factory file includes clear material about.
1964 ford ranchero fuse box diagram 66 ford stereo wiring diagram vauxhall insignium fuse box layout husky tractor wiring diagram
EBOOK PDF Case 580D Wiring Diagram
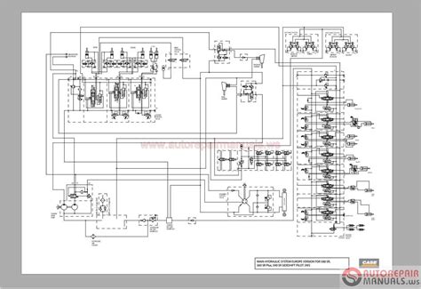
This service manual contains complete technical information about proper use, maintenance, repair, and service procedures, technical specifications, wiring electrical schematics, pictures, and charts for the case 580e super loader backhoe model. Case 580k backhoe loader service parts manuals pdf. On wiring diagram 2008 case 580sm. Complete with no missing pages.

Source: griniesgiaola.blogspot.com
Case 580k backhoe loader service parts manuals pdf. Case 580m, 580 super m (580sm), 580 super m+ (580sm+), 590 super m (590sm), 590 super m+ (590sm+) series 3. On wiring diagram 2008 case 580sm. Not only case 580l wiring schematic pdf download entitled, you can also download online book other attractive in our website. Get case 580l wiring schematic pdf.

Source: dentistmitcham.com
Shipping is free within us 48 states. Case l series loader backhoe family 580l, 580 super l and 590 super l electrical wiring diagram schematic manual. Case 580k backhoe loader service parts manuals pdf. Wiring diagram for 580b case backhoe wiring diagram page. Especially need to know the role.
![[RW_7087] Case 580Se Wiring Diagram Wiring Diagram [RW_7087] Case 580Se Wiring Diagram Wiring Diagram](https://i2.wp.com/static-resources.imageservice.cloud/29273/case-580d-wiring-diagram-basic-electronics-wiring-diagram.gif)
Source: atolo.unbe.perm.itis.mohammedshrine.org
Email me with any other questions you may have. Have aquired a case 580k with lots of loose wires. Complete workshop & service manual with electrical wiring diagrams for case m series 1/2/3 loader backhoe. Case pdf manual instant preview. Get case 580l wiring schematic pdf download and save both time and money by visit our website, available in formats.

Source: ricardolevinsmorales.com
I can easily diagnose if i had a schematic. Without the authorization of j.i. Case l series loader backhoe family 580l, 580 super l and 590 super l electrical wiring diagram schematic manual. This is in good used condition. Major competitors are the caterpillar 416 and 426 deere 310c and 410c ford 555b and 655a jcb 1400b and 1550b massey.

Source: 80.pokesoku.co
Trade marks and trade names contained and used herein are those of others, Although it seems to basically function ok can only start it by jumping the starter solenoid to battery. Thank you so much pleasure to visit our website !!! Case wiring diagram needed my tractor forum. So a wiring diagram would be a great help to start tidying.
Source: kibodeclanchester.blogspot.com
Factory file includes clear material about. Not only case 580l wiring schematic pdf download entitled, you can also download online book other attractive in our website. Of the 75 amp relay called out in the parts manual. This is in good used condition. Case 580 wiring d thanks for visiting our site, this is images about case 580 wiring d.

Source: ricardolevinsmorales.com
Although it seems to basically function ok can only start it by jumping the starter solenoid to battery. Without the authorization of j.i. Case 580 backhoe wiring diagram case 580k electrical schematic example electrical wiring diagram tagged. 23e04 case 580m wiring diagram digital resources. Any help would be appriciated.
Source: vikingkitchenideas.blogspot.com
Have aquired a case 580k with lots of loose wires. Shipping is free within us 48 states. Without the authorization of j.i. I have an intermitant problem with lights and starter. Case 580 backhoe wiring diagram by prof.

Source: wiring89.blogspot.com
102 pages case 580l wiring schematic available in formats pdf, kindle, epub, itunes and mobi also.how to wire safety switch how to wire safety switch wiring diagram for 220 volt air compressor well pump pressure square d. Major competitors are the caterpillar 416 and 426 deere 310c and 410c ford 555b and 655a jcb 1400b and 1550b massey 50h and.
![[NO_2079] Case 580 B Wiring Diagram Download Diagram [NO_2079] Case 580 B Wiring Diagram Download Diagram](https://i2.wp.com/static-assets.imageservice.cloud/16276788/case-580d-wiring-diagram-for-light-wrg-4948-wiring-diagram-580-e-case.jpg)
Source: comin.opein.mohammedshrine.org
23e04 case 580m wiring diagram digital resources. Factory file includes clear material about. Thank you so much pleasure to visit our website !!! This service manual contains complete technical information about proper use, maintenance, repair, and service procedures, technical specifications, wiring electrical schematics, pictures, and charts for the case 580e super loader backhoe model. Case 580c wiring issues my tractor.

Source: bois-eco-concept.fr
Case and it’s successors are not responsible for the quality or accuracy of this manual. This service manual contains complete technical information about proper use, maintenance, repair, and service procedures, technical specifications, wiring electrical schematics, pictures, and charts for the case 580e super loader backhoe model. Although it seems to basically function ok can only start it by jumping the.

Source: tanzanitegoldringsonsale.blogspot.com
Get case 580l wiring schematic pdf download and save both time and money by visit our website, available in formats pdf, kindle, epub, itunes and mobi also. Case pdf manual instant preview. This service manual contains complete technical information about proper use, maintenance, repair, and service procedures, technical specifications, wiring electrical schematics, pictures, and charts for the case 580e super.

Source: mikrora.com
580 construction king tractor, loader & backhoe volume 1 of 2 this is a manual produced byjensales inc. Although it seems to basically function ok can only start it by jumping the starter solenoid to battery. 23e04 case 580m wiring diagram digital resources. Please email me for a shipping quote outside the us & canada. Thank you so much pleasure.
![[MM_2761] Case 580 B Wiring Diagram Schematic Wiring [MM_2761] Case 580 B Wiring Diagram Schematic Wiring](https://i2.wp.com/static-assets.imageservice.cloud/16276771/case-580b-loader-tractor-wiring-diagram-database.gif)
Source: comin.opein.mohammedshrine.org
Case 580k backhoe loader service parts manuals pdf. So a wiring diagram would be a great help to start tidying up what hopefully will be. Factory file includes clear material about. This set includes following pdf manuals: 23e04 case 580m wiring diagram digital resources.

Source: diagramweb.net
Complete with no missing pages. Case 580 wiring d thanks for visiting our site, this is images about case 580 wiring d posted by ella brouillard in case category on. Although it seems to basically function ok can only start it by jumping the starter solenoid to battery. Especially need to know the role. Please email me for a shipping.

Source: diagramweb.net
This set includes following pdf manuals: Case l series loader backhoe family 580l, 580 super l and 590 super l electrical wiring diagram schematic manual. Although it seems to basically function ok can only start it by jumping the starter solenoid to battery. Thank you so much pleasure to visit our website !!! Get quality tractor parts for ford tractors,.

Source: wiringdiagram.2bitboer.com
I can easily diagnose if i had a schematic. Have aquired a case 580k with lots of loose wires. This service manual contains complete technical information about proper use, maintenance, repair, and service procedures, technical specifications, wiring electrical schematics, pictures, and charts for the case 580e super loader backhoe model. Of the 75 amp relay called out in the parts.

Source: atkinsjewelry.blogspot.com
Case 580k backhoe loader service parts manuals pdf. Get case 580l wiring schematic pdf download and save both time and money by visit our website, available in formats pdf, kindle, epub, itunes and mobi also. 102 pages case 580l wiring schematic available in formats pdf, kindle, epub, itunes and mobi also.how to wire safety switch how to wire safety switch.

Source: ricardolevinsmorales.com
Email me with any other questions you may have. Have aquired a case 580k with lots of loose wires. This is in good used condition. Factory file includes clear material about. Case 580k pre jjg loader backhoe parts chassis stabilizer plates pads.

Source: wiringdiagram.2bitboer.com
Wiring diagram for case 580 super k wiring diagram datasource k and r wiring diagram share. Without the authorization of j.i. Especially need to know the role. Of the 75 amp relay called out in the parts manual. On wiring diagram 2008 case 580sm.