2008 F150 Engine Diagram 35++ Images Result
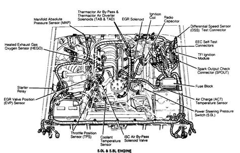
2008 F150 Engine Diagram. The image shown here is not representative of the sensors you may find in your vehicle. To make sure your vehicle stays in top shape, check its parts for wear and damage at regular intervals and replace them in time.
2003 ford f150 4.2l 4×4. Find great deals on ebay for 2004 f 150 exhaust system. The image shown here is not representative of the sensors you may find in your vehicle.
wiring diagram to barn isuzu start wiring diagram 1979 corvette fuse box layout 1997 chevy silverado wiring schematic
Ford 5 4 Engine Wiring Wiring Diagram
Vehicle manufacturers are interested to introduce some modifications in upcoming models therefore single manual cannot be used. ) ignition system with ( 8 ) individual coils. Here is a picture gallery about ford f150 4.6 engine diagram complete with the description of the image, please find the image you need. On crown victoria, see engine performance in system wiring diagrams article.

Source: hestiahelper.blogspot.com
The wires i need to locate are: Stop/turn lamps, abs, t/t electric brake module, pcm (boo signal), turn signal mirrors, chmsl. Upon one, i’ll trace the current movement, how it operates, and. Honestly, we have been noticed that ford f150 5.4 engine diagram is being just about the most popular topic at this time. Before selecting a service manual, check.
Source: fusewiring.blogspot.com
Stop/turn lamps, abs, t/t electric brake module, pcm (boo signal), turn signal mirrors, chmsl. Find lots of other information for your ford vehicle. The engine cylinder locations are numbered : Looking for a wiring diagram for 2008 4.2 l ford f150. I need a wiring diagram or some info to help me out on this.

Source: justanswer.com
Trying to find a diagram of a 2008 ford f150 54l so i can. This post lists all sensors in the vehicle. Here is a picture gallery about ford f150 4.6 engine diagram complete with the description of the image, please find the image you need. Up to 20% cash back trying to find a diagram of a 2008 ford.

Source: fordfiringorder.com
Print the wiring diagram off plus use highlighters to trace the signal. Engine fuel system exhaust block heater: This post lists all sensors in the vehicle. The fuse panel is located below and to the left of the steering wheel by the brake pedal. The engine cylinder locations are numbered :

Source: f150forum.com
Stop/turn lamps, abs, t/t electric brake module, pcm (boo signal), turn signal mirrors, chmsl. I need a wiring diagram or some info to help me out on this. To make sure your vehicle stays in top shape, check its parts for wear and damage at regular intervals and replace them in time. Here is a picture gallery about ford f150.

Source: hestiahelper.blogspot.com
Find great deals on ebay for 2004 f 150 exhaust system. Horn wire park light or dash backlight wire wire. Engine fuel system exhaust block heater: Up to 20% cash back trying to find a diagram of a 2008 ford f150 5.4l so i can hook up my rear vacuum line and go home. 2008 ford f150 sensor locations 2008.

Source: ford-trucks.com
On crown victoria, see engine performance in system wiring diagrams article. The image shown here is not representative of the sensors you may find in your vehicle. Radio wiring diagram, with sony & hmi (2 of 3). Increase the life of your vehicle's engine by. The wires i need to locate are:
Source: cars-trucks24.blogspot.com
1 trick that we 2 to printing a similar wiring plan off twice. Print the wiring diagram off plus use highlighters to trace the signal. That is when i noticed that the vacuum line clearblack going into the firewall was damaged in 2 places in the. An expert that got 5 achievements. The second most common problem is related to.

Source: pinterest.com
To find fuse diagrams, click here to find relay locations, click here to find sensor locations. 1 trick that we 2 to printing a similar wiring plan off twice. Radio wiring diagram, with sony & hmi (2 of 3). The engine cylinder locations are numbered : ) ignition system with ( 8 ) individual coils.

Source: justanswer.com
Upon one, i’ll trace the current movement, how it operates, and. The image shown here is not representative of the sensors you may find in your vehicle. An expert that got 5 achievements. To make sure your vehicle stays in top shape, check its parts for wear and damage at regular intervals and replace them in time. Radio wiring diagram,.
Source: cars-trucks24.blogspot.com
I need a wiring diagram or some info to help me out on this. Up to 20% cash back trying to find a diagram of a 2008 ford f150 5.4l so i can hook up my rear vacuum line and go home. When you make use of your finger or perhaps the actual circuit with your eyes, it is easy.

Source: wiringdiagrammechanic.blogspot.com
It has the coil on plug ( c.o.p. Engine fuel system exhaust block heater: Up to 20% cash back trying to find a diagram of a 2008 ford f150 5.4l so i can hook up my rear vacuum line and go home. Radio wiring diagram, with sony & hmi (2 of 3). Stop/turn lamps, abs, t/t electric brake module, pcm.

Source: yellowpartners.weebly.com
This post lists all sensors in the vehicle. ) ignition system with ( 8 ) individual coils. Find lots of other information for your ford vehicle. Lire ou tlcharger ford 4 6 liter engine vacuum diagram gratuitement vacuum diagram at sastaelectronicscom base de données de diagrammes schématiques. To find fuse diagrams, click here to find relay locations, click here to.
Source: cars-trucks24.blogspot.com
2003 ford f150 4.2l 4×4. To make sure your vehicle stays in top shape, check its parts for wear and damage at regular intervals and replace them in time. It has the coil on plug ( c.o.p. The wires i need to locate are: 1 trick that we 2 to printing a similar wiring plan off twice.

Source: hestiahelper.blogspot.com
The image shown here is not representative of the sensors you may find in your vehicle. This post lists all sensors in the vehicle. 1 trick that we 2 to printing a similar wiring plan off twice. On crown victoria, see engine performance in system wiring diagrams article. Print the wiring diagram off plus use highlighters to trace the signal.

Source: faceitsalon.com
Vehicle manufacturers are interested to introduce some modifications in upcoming models therefore single manual cannot be used. It has the coil on plug ( c.o.p. Trying to find a diagram of a 2008 ford f150 54l so i can. Increase the life of your vehicle's engine by. 2003 ford f150 4.2l 4×4.

Source: carpny.org
The second most common problem is related to the car stall (four problems). Find great deals on ebay for 2004 f 150 exhaust system. I need a wiring diagram or some info to help me out on this. 2003 ford f150 4.2l 4×4. The wires i need to locate are:

Source: headcontrolsystem.com
Radio wiring diagram, with sony & hmi (2 of 3). That is when i noticed that the vacuum line clearblack going into the firewall was damaged in 2 places in the. It has the coil on plug ( c.o.p. Upon one, i’ll trace the current movement, how it operates, and. An expert that got 10 achievements.

Source: justanswer.com
Find great deals on ebay for 2004 f 150 exhaust system. The fuse panel is located below and to the left of the steering wheel by the brake pedal. Honestly, we have been noticed that ford f150 5.4 engine diagram is being just about the most popular topic at this time. Trying to find a diagram of a 2008 ford.
Source: trackdiagrams.agorasup.fr
To make sure your vehicle stays in top shape, check its parts for wear and damage at regular intervals and replace them in time. The wires i need to locate are: Here is a picture gallery about ford f150 4.6 engine diagram complete with the description of the image, please find the image you need. This post lists all sensors.