2002 Impala 3 4 Engine Diagram 46+ Images Result
2002 Impala 3 4 Engine Diagram. In most cases, their diagrams are right from the factory manuals. Get free 2002 impala radiator fan relay diagram.
Click sensor description below image for sensor details. 2002 chevrolet impala engine management. 3.4l and 3.1l v6 engine sensor locations.
2003 chevrolet impala wiring diagram three way switch wiring diagram one light 98 honda civic radio wire diagram 02 gmc c5500 wiring diagram starting
2002 Chevy Impala Engine Diagram Automotive Parts
Has 50 psi fuel pressure and has spark. 2002 chevrolet impala filters and pcv. Chevy, chevy impala, electrical wiring diagram. Get free 2002 impala radiator fan relay diagram.

Source: wholesalegmpartsonline.com
Typical engine data sensor and control component locations on the gm 3.1 / 3.4 l v6 engine. 2002 impala 3.8 drove it home now wont start has no spark put in new crank pos sensor still no spark at coil mod read full answer be the first to answer 12/13/2021 10:15:11 pm •. 3.4l and 3.1l v6 engine sensor locations..
Source: wiringschems.blogspot.com
Typical engine data sensor and control component locations on the gm 3.1 / 3.4 l v6 engine. 2002 chevrolet impala filters and pcv. Gm 3.4l engine belt routing diagram. Please consider making a small tip/donation. 2002 impala 3.8 drove it home now wont start has no spark put in new crank pos sensor still no spark at coil mod read.
Source: bmwwiringdiagram.blogspot.com
No parts for vehicles in selected markets. Spal power window switch wiring diagram; Interior a/c light was blinking and magnetic clutch was not. Tag id #0/1lmb, 0/1/2ldb, 1/2lcb, 0lnb, 24217221. Here is a picture gallery about 2002 chevy impala engine diagram complete with the description of the image, please find the image you need.

Source: carpny.org
But, sometimes it is correspondingly far and wide pretension to get the book, even in new country or city. Typical engine data sensor and control component locations on the gm 3.1 / 3.4 l v6 engine. 2002 chevy monte carlo 3.4 l cranks but wont start. It is used in many buick, pontiac, chevrolet and oldsmobile cars. Spal power window.
Source: wiringschems.blogspot.com
2002 chevrolet impala external engine. New bare head without valves or springs. No parts for vehicles in selected markets. Bigrod is correct on the 3.8 above, however firing order for the 3400 v6 is as follows: Gm 3.4l engine belt routing diagram.

Source: justanswer.com
It is used in many buick, pontiac, chevrolet and oldsmobile cars. Fuse box diagram (location and assignment of electrical fuses and relays) for chevrolet (chevy) impala (2000, 2001, 2002, 2003, 2004, 2005). 2002 chevy monte carlo 3.4 l cranks but wont start. Chevy impala 2002 electrical circuit symbol map. 2002 chevrolet impala engine management.

Source: kovodym.blogspot.com
Spal fan relay wiring diagram; Chevy, chevy impala, electrical wiring diagram. Chevy impala transmission removal 2019cooling fans \u0026 wiring diagram 2002 impala engine cooling diagram this 2002 impala engine cooling diagram, many people after that will craving to purchase the autograph album sooner. 3.4l and 3.1l v6 engine sensor locations. New bare head without valves or springs.

Source: carpny.org
Please consider making a small tip/donation. Spal fan relay wiring diagram; Has 50 psi fuel pressure and has spark. Gm 3.4l engine belt routing diagram. In most cases, their diagrams are right from the factory manuals.

Source: carpny.org
2002 chevrolet impala external engine. 2002 chevy monte carlo 3.4 l cranks but wont start. Tag id #0/1lmb, 0/1/2ldb, 1/2lcb, 0lnb, 24217221. Read pdf 2002 impala engine cooling diagram removal 2019cooling fans \u0026 wiring diagram 2002 impala engine cooling diagram this 2002 impala engine cooling diagram, many people after that will craving to purchase the autograph album sooner. Bigrod is.
Source: parts.nalleygmc.com
In most cases, their diagrams are right from the factory manuals. Bigrod is correct on the 3.8 above, however firing order for the 3400 v6 is as follows: While driving it just stopped and would not start. Troubleshooting electric cooling fan problems in cars sep 29, 2020 · 2003 toyota 4 cyl. 2002 impala 3.8 drove it home now wont.

Source: wiring-pdf.blogspot.com
Fuse box diagram (location and assignment of electrical fuses and relays) for chevrolet (chevy) impala (2000, 2001, 2002, 2003, 2004, 2005). I have a 2005 impala with a 3.4 l motor. Mass airflow sensor (maf) 4. In most cases, their diagrams are right from the factory manuals. Read pdf 2002 impala engine cooling diagram removal 2019cooling fans \u0026 wiring diagram.

Source: wiring-pdf.blogspot.com
But, sometimes it is correspondingly far and wide pretension to get the book, even in new country or city. 3.4l and 3.1l v6 engine sensor locations. Typical engine data sensor and control component locations on the gm 3.1 / 3.4 l v6 engine. Fuse box diagram (location and assignment of electrical fuses and relays) for chevrolet (chevy) impala (2000, 2001,.
Source: adindaaps.blogspot.com
Picture and diagram of how to replace belt on gm 3.4l 3400 v6 in cars and minivans. It is used in many buick, pontiac, chevrolet and oldsmobile cars. Spal power window switch wiring diagram; Bigrod is correct on the 3.8 above, however firing order for the 3400 v6 is as follows: I have a 2005 impala with a 3.4 l.
Source: parts.nalleygmc.com
It is used in many buick, pontiac, chevrolet and oldsmobile cars. 2002 chevrolet impala engine management. Get free 2002 impala radiator fan relay diagram. Chevy, chevy impala, electrical wiring diagram. Picture and diagram of how to replace belt on gm 3.4l 3400 v6 in cars and minivans.
Source: yosalsero.blogspot.com
I have a 2005 impala with a 3.4 l motor. Picture and diagram of how to replace belt on gm 3.4l 3400 v6 in cars and minivans. In most cases, their diagrams are right from the factory manuals. Chevy impala transmission removal 2019cooling fans \u0026 wiring diagram 2002 impala engine cooling diagram this 2002 impala engine cooling diagram, many people.

Source: justanswer.com
2002 chevrolet impala fuel delivery. 2002 impala 3.8 drove it home now wont start has no spark put in new crank pos sensor still no spark at coil mod read full answer be the first to answer 12/13/2021 10:15:11 pm •. Get free 2002 impala radiator fan relay diagram. Fuse box diagram (location and assignment of electrical fuses and relays).

Source: yosalsero.blogspot.com
But, sometimes it is correspondingly far and wide pretension to get the book, even page 9/38 It is used in many buick, pontiac, chevrolet and oldsmobile cars. 2002 chevrolet impala filters and pcv. 3.4l and 3.1l v6 engine sensor locations. 2002 chevy silverado engine diagram;

Source: detoxicrecenze.com
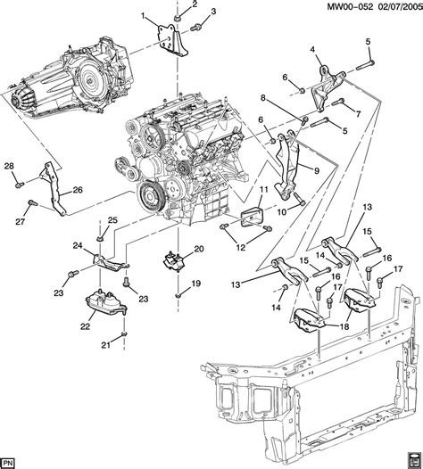
It is used in many buick, pontiac, chevrolet and oldsmobile cars. In most cases, their diagrams are right from the factory manuals. 2002 chevrolet impala external engine. New bare head without valves or springs. The 2002 chevrolet impala has a 3.4 l base engine size.

Source: carpny.org
Idle air control motor (iac) 3. 2002 chevrolet impala external engine. Spal power window switch wiring diagram; While driving it just stopped and would not start. 3.4l and 3.1l v6 engine sensor locations.

Source: justanswer.com
2002 chevrolet impala engine management. New bare head without valves or springs. I have a 2005 impala with a 3.4 l motor. Crankshaft position sensor location 2002 chevy suburban 4x4 5.3 engine? Fuse box diagram (location and assignment of electrical fuses and relays) for chevrolet (chevy) impala (2000, 2001, 2002, 2003, 2004, 2005).