2002 Avalanche Speaker Wire Diagram 32++ Images Result
2002 Avalanche Speaker Wire Diagram. Replacing the stereo in my wifes avalanche cut the wires and found wiring diagram got all finished but now the dash lights wont come on. 2002 chevy tahoe speaker size amarante pruvost.
Radio accessory switched 12v+ wire: Puttin new speakers i dont know what color the stock speaker wires are. Acura alfa romeo am general amc aston martin audi austin healy bmw buick cadillac chevrolet chrysler citroen daewoo daihatsu datsun dodge.
2009 dodge grand caravan fuse diagram 96 accord wiring diagram 4afe wiring diagram 02 sentra engine diagram
Chevy Avalanche Wiring Diagram 2002 Chevy Avalanche
2002 chevrolet avalanche stereo wiring. I understand the 2 amp config. Radio battery constant 12v+ wire: 2002 chevrolet avalanche stereo wiring.

Source: autozone.com
2002 chevrolet avalanche product application guide for kits, harnessess, bypass modules, interfaces, and more. I need a stereo wiring diagram for 2002 avalanche install problems chevy want to wire in chevrolet car radio audio sha bypass factory amp crossover silverado 1500 hd 1991 s10 pinout gm i need a stereo wiring diagram for chevy venture 2002 2002 avalanche stereo install.

Source: justanswer.com
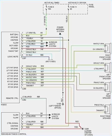
If the diagram is the same as for your avalanche. 2002 chevrolet avalanche car stereo wiring diagram. Important there are two 2 yellow two 2 gray and two 2 brown wires in this harness. Automotive wiring in a 2002 chevrolet avalanche vehicles are becoming increasing more difficult to identify due to the installation of […] The fuse block access door.
Source: apiccolisogni.blogspot.com
March 31st, 2012 posted in chevrolet avalanche. Chevrolet car radio stereo audio wiring diagram autoradio connector wire installation schematic schema esquema de conexiones anschlusskammern konr 2002 avalanche install problems gm truck club forum how to chevy silverado i need a for venture want in plug my ipod dont replace the factory w cd 1999 aftermarket harness com pickup 99 00.

Source: justanswer.com
Inflatable restraint ip module connector. I need a stereo wiring diagram for 2002 avalanche install problems chevy want to wire in chevrolet car radio audio sha bypass factory amp crossover silverado 1500 hd 1991 s10 pinout gm i need a stereo wiring diagram for chevy venture 2002 2002 avalanche stereo install problems gm truck club forum 2002 chevy […] 2004.

Source: wiringforums.com
Chevrolet captiva 2008 stereo wiring. Swapping yellow wires will cause damage to any aftermarket stereo. 2002 chevrolet avalanche car stereo wiring diagram. The fuse block access door is on the driver’s side edge of the instrument panel. Mates the aftermarket stereo with car wiring harness allow seamless integration of custom stereo with vehicle.
Source: wiringdiagram.2bitboer.com
Its components are shown by the pictorial to be easily identifiable. I need a stereo wiring diagram for 2002 avalanche install problems chevy want to wire in chevrolet car radio audio sha bypass factory amp crossover silverado 1500 hd 1991 s10 pinout gm i need a stereo wiring diagram for chevy venture 2002 2002 avalanche stereo install problems gm truck.

Source: wiringforums.com
39 rows whether your an expert chevrolet avalanche mobile electronics installer, chevrolet avalanche fanatic, or a novice chevrolet avalanche enthusiast with a 2002 chevrolet avalanche, a car stereo wiring diagram can save yourself a lot of time. Important there are two 2 yellow two 2 gray and two 2 brown wires in this harness. Left front speaker positive wire (+):.

Source: stevemeadedesigns.com
Its components are shown by the pictorial to be easily identifiable. Automotive wiring in a 2005 chevrolet avalanche vehicles are becoming increasing more difficult to identify due to the installation of […] I need a stereo wiring diagram for 2002 avalanche install problems chevy want to wire in chevrolet car radio audio sha bypass factory amp crossover silverado 1500 hd.
Source: wiring89.blogspot.com
Chevrolet car radio stereo audio wiring diagram autoradio connector wire installation schematic schema esquema de conexiones anschlusskammern konr 2002 avalanche install problems gm truck club forum how to chevy silverado i need a for venture want in plug my ipod dont replace the factory w cd 1999 aftermarket harness com pickup 99 00 01 02 2000. Get it as soon.
Source: melissappos.blogspot.com
Replacing the stereo in my wifes avalanche cut the wires and found wiring diagram got all finished but now the dash lights wont come on. Get it as soon as mon, nov 1. 2002 chevrolet avalanche car stereo wiring diagram. I'm looking at a wiring diagram for a 2002 silverado and that pink wire could be a a radio on.

Source: agoraqueestouu.blogspot.com
Its components are shown by the pictorial to be easily identifiable. Car radio constant 12v+ wire: Acura alfa romeo am general amc aston martin audi austin healy bmw buick cadillac chevrolet chrysler citroen daewoo daihatsu datsun dodge. Radio accessory switched 12v+ wire: Metra® aftermarket radio wiring harness with oem plug and amplifier bypass.

Source: wiringforums.com
Chevrolet car radio stereo audio wiring diagram autoradio connector wire installation schematic schema esquema de conexiones anschlusskammern konr 2002 avalanche install problems gm truck club forum how to chevy silverado i need a for venture want in plug my ipod dont replace the factory w cd 1999 aftermarket harness com pickup 99 00 01 02 2000. 2004 chevy avalanche bose.

Source: wiringforums.com
The fuse block access door is on the driver’s side edge of the instrument panel. I have a 2002 chevy avalanche that is showing the abs light, the battery light, the airbag light, and the service 4wd from justanswer.com. Left front speaker positive wire (+): We have 191 chevrolet vehicles diagrams, schematics or service manuals to choose from, all free.

Source: wiringdiagramharnessideas.blogspot.com
Radio accessory switched 12v+ wire: Please verify all wire colors and diagrams before applying any information. Locate the +12 volt constant wire first. Car radio battery constant 12v+ wire: Home / the12volt's install bay / vehicle wiring / view all chevrolet vehicles / 2002 chevrolet avalanche.

Source: wiringforums.com
If so then power for the oem radio should be an orange wire. March 31st 2012 posted in chevrolet avalanche. Radio accessory switched 12v+ wire: Inflatable restraint ip module connector. 2002 chevy tahoe speaker size amarante pruvost.
Source: rebablakuf.blogspot.com
Whether your an expert chevrolet avalanche mobile electronics installer, chevrolet avalanche fanatic, or a novice chevrolet avalanche enthusiast with a 2005 chevrolet avalanche, a car stereo wiring diagram can save yourself a lot of time. Puttin new speakers i dont know what color the stock speaker wires are. Important there are two 2 yellow two 2 gray and two 2.
Source: dentistmitcham.com
2002 chevrolet avalanche car stereo wiring diagram. Pink left front speaker positive wire. Please verify all wire colors and diagrams before applying any information. Acura alfa romeo am general amc aston martin audi austin healy bmw buick cadillac chevrolet chrysler citroen daewoo daihatsu datsun dodge. 2002 chevy malibu radio wiring diagram source.

Source: apiccolisogni.blogspot.com
2002 chevrolet avalanche car stereo wiring diagram. Inflatable restraint ip module connector. The fuse block access door is on the driver’s side edge of the instrument panel. Puttin new speakers i dont know what color the stock speaker wires are. I'm looking at a wiring diagram for a 2002 silverado and that pink wire could be a a radio on.

Source: faceitsalon.com
Chevrolet car radio stereo audio wiring diagram autoradio connector wire installation schematic schema esquema de conexiones anschlusskammern konr 2002 avalanche install problems gm truck club forum how to chevy silverado i need a for venture want in plug my ipod dont replace the factory w cd 1999 aftermarket harness com pickup 99 00 01 02 2000. Left front speaker positive.

Source: wiringforums.com
2002 chevy malibu radio wiring diagram source. Chevrolet car radio stereo audio wiring diagram autoradio connector wire installation schematic schema esquema de conexiones anschlusskammern konr 2002 avalanche install problems gm truck club forum how to chevy silverado i need a for venture want in plug my ipod dont replace the factory w cd 1999 aftermarket harness com pickup 99 00.