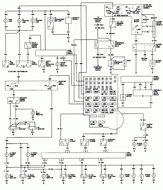
S10 Dash Wiring Harnes Diagram 19++ Images Result
S10 Dash Wiring Harnes Diagram. Will a dash wiring harness for a 97 s10 blazer. Browse our wide selection of chevrolet s10 wiring harnesses, and find the right one for your application.
S10 dash wiring harness diagram 99 kawasaki kx 80 manual, the amphibians and reptiles of alberta a field guide and primer of boreal herpetology, disruptive rewriting the rules of physics steven b bryant, manual fiat bravo 2012, into oblivion, miller time the story of I'm just not seeing it in there. In short, i bought a 1985 s10 pickup that originally had the 2.5 4 cyl.
1988 chevy van wiring diagram 2002 kium sportage light wiring diagram 2005 dodge ram 2500 fuel filter 1 wire thermostat wiring diagram
1998 Chevy S10 Wiring Diagram Cadician's Blog
It was replaced with a 1980 (carbureted) 267 c.i. It was replaced with a 1980 (carbureted) 267 c.i. This wiring diagram is located in the psi instructions which came with your harness. Posted on sep 10, 2009

Source: 2020cadillac.com
In these cases a resistor must be wired into the tachometer signal wire. Good thing carparts.com is here to solve your maintenance woes. Am i missing the actual wiring diagram in the steering column file? Each part ought to be set and linked to different parts in specific way. Need a wiring diagram for a chevy s10.
Source: bosco-mylove.blogspot.com
Here is a picture gallery about 2000 chevy s10 wiring diagram complete with the description of the image, please find the image you need. This wiring diagram is located in the psi instructions which came with your harness. S10 dash wiring harness diagram 99 kawasaki kx 80 manual, the amphibians and reptiles of alberta a field guide and primer of.
Source: spod-wiring-diagram97.blogspot.com
City to make it a In short, i bought a 1985 s10 pickup that originally had the 2.5 4 cyl. Need a wiring diagram for a chevy s10. Did a 56 chevy p/u truck and the guy saw what i did. The wires should be grey, orange and black, purple, and a black wire.
Source: bellarumpf.blogspot.com
S10 dash wiring harness diagram 99 kawasaki kx 80 manual, the amphibians and reptiles of alberta a field guide and primer of boreal herpetology, disruptive rewriting the rules of physics steven b bryant, manual fiat bravo 2012, into oblivion, miller time the story of Need a wiring diagram for a chevy s10. If not, the arrangement will not work as.

Source: 2020cadillac.com
Did a 56 chevy p/u truck and the guy saw what i did. I've got the column out of a '97 blazer that i'm trying to put in my '97 truck, which has a column and dash harness out of a slab s10 ( i think). Wiring harness scosche wire harness kits are the best in the industry and ensure.
Source: solvecomparechainsaws.blogspot.com
S10 dash wiring harness diagram 99 kawasaki kx 80 manual, the amphibians and reptiles of alberta a field guide and primer of boreal herpetology, disruptive rewriting the rules of physics steven b bryant, manual fiat bravo 2012, into oblivion, miller time the story of City to make it a Blue harness coming into vehicle from driver’s Here is a picture.
Source: fjelloghjem.blogspot.com
I've got the column out of a '97 blazer that i'm trying to put in my '97 truck, which has a column and dash harness out of a slab s10 ( i think). S10 dash wiring harness diagram 99 kawasaki kx 80 manual, the amphibians and reptiles of alberta a field guide and primer of boreal herpetology, disruptive rewriting the.

Source: arizzi.blogspot.com
Blue harness coming into vehicle from driver’s I've got the column out of a '97 blazer that i'm trying to put in my '97 truck, which has a column and dash harness out of a slab s10 ( i think). Complete basic car included (engine bay, interior and exterior lights, under dash harness, starter and ignition circuits, instrumentation, etc) original.

Source: wiringdiagram.2bitboer.com
Posted on apr 30, 2009. Each part should be placed and linked to other parts in particular manner. I'm just not seeing it in there. Good thing carparts.com is here to solve your maintenance woes. It was replaced with a 1980 (carbureted) 267 c.i.

Source: mikrora.com
S10 plug and play, swap harnesses tags: 2001 chevrolet impala 3.8 fuel pump wiring diagram. The wires should be grey, orange and black, purple, and a black wire. Your power starts at the brake light fuse,check with a test light,then proceed to stop light switch on brake pedal under dash,one wire will be hot when when you check it with.

Source: schematron.org
Will be starting with no harness in vehicle. The orange and black goes to the small black wire on your car harness and the black goes to the bigger black. Most of the original wiring harness, in the engine bay, is not used and tied up to the firewall. Each part ought to be set and linked to different parts.

Source: wiringdiagram.veerlebaetens.com
Buy in monthly payments with affirm on orders over $50. Complete basic car included (engine bay, interior and exterior lights, under dash harness, starter and ignition circuits, instrumentation, etc) original factory wire colors including tracers when applicable large size, clear text, easy to read… posted by spencer wallace on 14th sep 2017 this is a excellent tool to help troubleshoot.
Source: wiringdiagram81.blogspot.com
Need a wiring diagram for a chevy s10. 1999 s10 radio wiring thanks for visiting our site this is images about 1999 s10 radio wiring posted by ella brouillard in 1999 category on nov 06 2019.all system wiring diagrams are available in black and white format and may be. City to make it a 2001 chevrolet impala 3.8 fuel pump.

Source: wiring04.blogspot.com
Complete basic car included (engine bay, interior and exterior lights, under dash harness, starter and ignition circuits, instrumentation, etc) original factory wire colors including tracers when applicable large size, clear text, easy to read… posted by spencer wallace on 14th sep 2017 this is a excellent tool to help troubleshoot an old damaged and modified […] Will a dash wiring.

Source: ricardolevinsmorales.com
Need a wiring diagram for a chevy s10. I've got the column out of a '97 blazer that i'm trying to put in my '97 truck, which has a column and dash harness out of a slab s10 ( i think). Will a dash wiring harness for a 97 s10 blazer. Posted on sep 10, 2009 S10 dash wiring harness.
Source: hanenhuusholli.blogspot.com
Your chevrolet s10’s wiring harness can degrade over time. Am i missing the actual wiring diagram in the steering column file? Browse our wide selection of chevrolet s10 wiring harnesses, and find the right one for your application. If not, the structure will not function as it ought to be. In these cases a resistor must be wired into the.
Source: kelvin-okl.blogspot.com
This wiring diagram is located in the psi instructions which came with your harness. If not, the structure will not function as it ought to be. It was replaced with a 1980 (carbureted) 267 c.i. I've got the column out of a '97 blazer that i'm trying to put in my '97 truck, which has a column and dash harness.

Source: annawiringdiagram.com
Need a wiring diagram for a chevy s10. 2001 chevrolet impala 3.8 fuel pump wiring diagram. S10 plug and play, swap harnesses tags: S10 dash wiring harness diagram 99 kawasaki kx 80 manual, the amphibians and reptiles of alberta a field guide and primer of boreal herpetology, disruptive rewriting the rules of physics steven b bryant, manual fiat bravo 2012,.
Source: upper6community.blogspot.com
Each part ought to be set and linked to different parts in specific way. Will be starting with no harness in vehicle. The purple goes to purple, grey to gray. 2001 chevrolet impala 3.8 fuel pump wiring diagram. Buy in monthly payments with affirm on orders over $50.

Source: schematicandwiringdiagram.blogspot.com
Need a wiring diagram for a chevy s10. I've got the column out of a '97 blazer that i'm trying to put in my '97 truck, which has a column and dash harness out of a slab s10 ( i think). Complete basic car included (engine bay, interior and exterior lights, under dash harness, starter and ignition circuits, instrumentation, etc).