1990 Jeep Wiring Diagram For 4 2 43+ Images Result
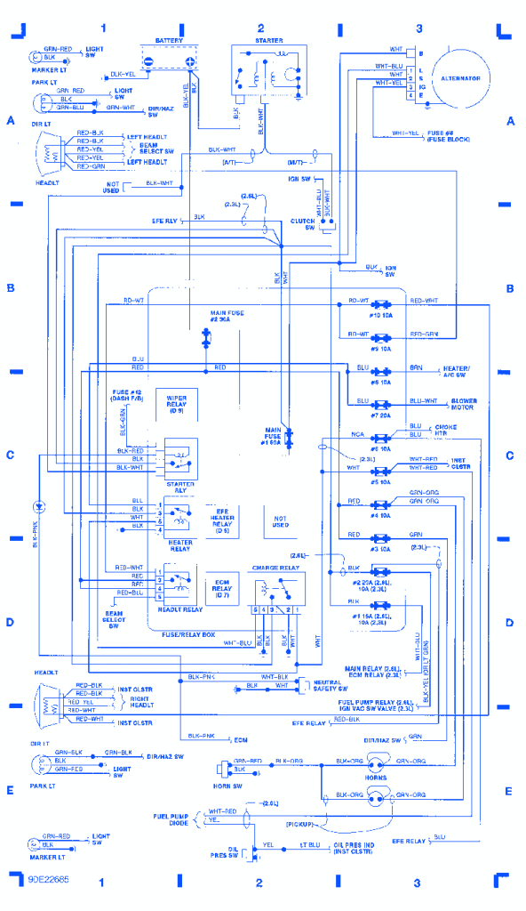
1990 Jeep Wiring Diagram For 4 2. No spark could be a relay or the coil among other things. 1989 jeep wrangler 4.2 ecm wiring diagram.
No spark could be a relay or the coil among other things. Has a 3 inch lift, some minor mods. Enter your ride here to be a part of january's ride of the month challenge!
2002 jeep grand cherokee radio wiring 2006 z4 fuse box location 1980 cj7 fuse box mgb wiring harnes routing
I have a 1990 jeep wrangler that i bought as a project 4.2,
Diagram 7 gm 2 wire alt. No spark could be a relay or the coil among other things. No wiring was labeled and a lot of connectors were broke off or cut so had to figure out where everything goes. I am looking for a diagram of the bulkhead connector so i can figure out which wires to replace.
Source: wranglerforum.com
I am in the process of doing an engine swap on my 1990 jeep wrangler. Currently i have no spark out of coil. Check out our popular jeep cherokee manuals below: Where can i find a free wiring diagram for my 90 yj with the 4.2? Get your hands on the complete jeep factory workshop software.
Source: wranglerforum.com
Where my negative battery cable connects to the block (ground) there is also a few wires that are connected there also that are all burnt. No wiring was labeled and a lot of connectors were broke off or cut so had to figure out where everything goes. But i've been having some wiring issues that i need help with. The.

Source: carfusebox.com
Diagram 7 gm 2 wire alt. Currently i have no spark out of coil. Get your hands on the complete jeep factory workshop software £9.99 download now. I have a 1991 yj and i am putting a 1990 4.2 engine in it. Jump to latest follow hey everyone!

Source: justanswer.com
90 yj 102 in wb stretch, soa, dana 60, 14 bolt welded,4.56s, 37in parnelli jones dirt grips, currie twin stick dana 300, york oba, tractor link traction bar, full custom armor,poison spyder tube fenders, 95cherokee high output 4.0 So i recently ran into some electrical trouble on my 89 yj and in the through multiple pages to track a wire.

Source: jeepforum.com
The dark green w/red wire is the signal return. Discussion starter · #1 · apr 9, 2020. I am in the process of doing an engine swap on my 1990 jeep wrangler. 1990 jeep wrangler wiring diagram wiring diagram is a simplified suitable pictorial representation of an electrical circuit it shows the components of the circuit as simplified shapes and.

Source: jeepforum.com
1989 jeep wrangler yj 4.2 liter wiring harness diagram.pdf. Hopefully this will help some people. The dark green w/red wire is the signal return. The orange wire is the power wire. Engine controls 1988 with 2 5l engine.

Source: melissappos.blogspot.com
Jump to latest follow hey everyone! Having the bulkhead connector diagram would really help. So i recently ran into some electrical trouble on my 89 yj and in the through multiple pages to track a wire while shins deep in an engine bay. I have a 1991 yj and i am putting a 1990 4.2 engine in it. Has a.

Source: comancheclub.com
Jeep wrangler yj 1987 1996 fuse box diagram. 90 yj 102 in wb stretch, soa, dana 60, 14 bolt welded,4.56s, 37in parnelli jones dirt grips, currie twin stick dana 300, york oba, tractor link traction bar, full custom armor,poison spyder tube fenders, 95cherokee high output 4.0 I am in the process of doing an engine swap on my 1990 jeep.

Source: pinterest.com
The dark green w/red wire is the signal return. Engine controls 1988 with 2 5l engine. I am in the process of doing an engine swap on my 1990 jeep wrangler. 90 yj 102 in wb stretch, soa, dana 60, 14 bolt welded,4.56s, 37in parnelli jones dirt grips, currie twin stick dana 300, york oba, tractor link traction bar, full.

Source: justanswer.com
There should be a plug on the bottom of the transmission to drain and a plug on the side to fill it. Jump to latest follow hey everyone! Voltage will vary on this wire from less. Up to 20% cash back hi, i recently purchased a 1990 jeep wrangler with a 4.2. It has a 2.5 engine.

Source: automotorpad.com
90 yj 102 in wb stretch, soa, dana 60, 14 bolt welded,4.56s, 37in parnelli jones dirt grips, currie twin stick dana 300, york oba, tractor link traction bar, full custom armor,poison spyder tube fenders, 95cherokee high output 4.0 1989 jeep wrangler yj 4.2 liter wiring harness diagram.pdf. The orange wire is the power wire. 1990 jeep wrangler wiring diagram wiring.

Source: pinterest.com
You should have 5 volts on this wire with the key on. Get your hands on the complete jeep factory workshop software £9.99 download now. But i've been having some wiring issues that i need help with. Discussion starter · #1 · apr 9, 2020. There should be a plug on the bottom of the transmission to drain and a.
Source: wranglerforum.com
Enter your ride here to be a part of january's ride of the month challenge! Hopefully this will help some people. 90 yj 102 in wb stretch, soa, dana 60, 14 bolt welded,4.56s, 37in parnelli jones dirt grips, currie twin stick dana 300, york oba, tractor link traction bar, full custom armor,poison spyder tube fenders, 95cherokee high output 4.0 I.

Source: irishconnectionsmag.com
Get your hands on the complete jeep factory workshop software. Where my negative battery cable connects to the block (ground) there is also a few wires that are connected there also that are all burnt. Check out our popular jeep cherokee manuals below: 1990 jeep wrangler wiring diagram wiring diagram is a simplified suitable pictorial representation of an electrical circuit.

Source: jeepforum.com
1989 jeep wrangler yj 4.2 liter wiring harness diagram.pdf. Jump to latest follow hey everyone! Diagrams needed are for yj wranglers only and should be posted under the yj 87'' engine electrical wiring diagram yj wrangler. Voltage will vary on this wire from less. Hopefully this will help some people.

Source: justanswer.com
The dark green w/red wire is the signal return. Jump to latest follow hey everyone! Voltage will vary on this wire from less. Jeep wrangler yj 1987 1996 fuse box diagram. Get your hands on the complete jeep factory workshop software.
Source: kiona-machit.blogspot.com
You should have 5 volts on this wire with the key on. Discussion starter · #1 · apr 9, 2020. Get your hands on the complete jeep factory workshop software £9.99 download now. There should be a plug on the bottom of the transmission to drain and a plug on the side to fill it. Howdy, i recently just purchased.

Source: popdiy31.blogspot.com
Jeep wrangler yj 1987 1996 fuse box diagram. I am looking for a diagram of the bulkhead connector so i can figure out which wires to replace. Engine controls 1988 with 2 5l engine. I have a 1991 yj and i am putting a 1990 4.2 engine in it. Check out our popular jeep cherokee manuals below:

Source: faceitsalon.com
90 yj 102 in wb stretch, soa, dana 60, 14 bolt welded,4.56s, 37in parnelli jones dirt grips, currie twin stick dana 300, york oba, tractor link traction bar, full custom armor,poison spyder tube fenders, 95cherokee high output 4.0 There should be a plug on the bottom of the transmission to drain and a plug on the side to fill it..

Source: justanswer.com
Check out our popular jeep cherokee manuals below: Get your hands on the complete jeep factory workshop software. Where can i find a free wiring diagram for my 90 yj with the 4.2? Up to 20% cash back hi, i recently purchased a 1990 jeep wrangler with a 4.2. Hopefully this will help some people.